当前位置:首页->一种机头与旋梭同步电控信号的控制机构

 一种机头与旋梭同步电控信号的控制机构

 
【申请公布号:CN111118761A;申请权利人:天津宝盈电脑机械有限公司;发明设计人:苏毅;】
 
摘要:
 
本发明公开了一种机头与旋梭同步电控信号控制机构,包括:上机头主轴、光电信号轮一、光电开关一、光电开关二、驱动电机输出轴、同步带轮、光电信号轮二、光电开关一、光电开关二、安装座一、安装座二、上机头、开关安装座、针杆、旋梭、梭尖、机针;在光电信号轮一的迴转平面上分布安装有光电开关一和光电开关二,光电开关一和光电开关二之间的分布角度为α1;在光电信号轮二的迴转平面上分布安装有光电开关一和光电开关二,光电开关一和光电开关二之间的分布角度为α2。本发明主轴的停车角度位置和针梭同步位置,由设计人员予以优选确定,限定了装配工人现场安装调整的自由度及不确定性,确保了批量生产中机器参数的一致性。 
 
主权项:
 
1.一种机头与旋梭同步电控信号控制机构,包括:上机头主轴、光电信号轮一、光电开关一、光电开关二、驱动电机输出轴、同步带轮、光电信号轮二、光电开关一、光电开关二、安装座一、安装座二、上机头、开关安装座、针杆、旋梭、梭尖、机针;其特征在于:在上机头主轴上安装有一个光电信号轮一,在光电信号轮一的迴转平面上分布安装有光电开关一和光电开关二,光电开关一和光电开关二之间的分布角度为α1;在下机头的驱动电机输出轴上安装有一个同步带轮,在同步带轮上固定安装有光电信号轮二,在光电信号轮二的迴转平面上分布安装有光电开关一和光电开关二,光电开关一和光电开关二之间的分布角度为α2;结构设计特征:令α2=α1。 
 
要求:
 
1.一种机头与旋梭同步电控信号控制机构,包括:上机头主轴、光电信号轮一、光电开关一、光电开关二、驱动电机输出轴、同步带轮、光电信号轮二、光电开关一、光电开关二、安装座一、安装座二、上机头、开关安装座、针杆、旋梭、梭尖、机针;其特征在于:在上机头主轴上安装有一个光电信号轮一,在光电信号轮一的迴转平面上分布安装有光电开关一和光电开关二,光电开关一和光电开关二之间的分布角度为α1;在下机头的驱动电机输出轴上安装有一个同步带轮,在同步带轮上固定安装有光电信号轮二,在光电信号轮二的迴转平面上分布安装有光电开关一和光电开关二,光电开关一和光电开关二之间的分布角度为α2;结构设计特征:令α2=α1。
 
2.根据权利要求1所述的一种机头与旋梭同步电控信号控制机构,其特征在于:上机头的光电开关一和光电开关二的分布角度α1,是由光电开关一的安装座一和光电开关二的安装座二在上机头上预制好的安装孔位所确定。
 
3.根据权利要求1所述的一种机头与旋梭同步电控信号控制机构,其特征在于:下机头的光电开关一和光电开关二安装在开关安装座上,其分布角度α2由光电开关一和光电开关二在开关安装座上的安装孔位所确定。
 
4.根据权利要求1所述的一种机头与旋梭同步电控信号控制机构,其特征在于:对应于上机头,在下机头电机轴上的信号轮处,安装有光电开关一和光电开关二,其之间的分布角度α2=α1。光电开关一为下机头停车位的发信开关,光电开关二为下机头的针梭同步位的发信开关。
 
5.根据权利要求1所述的一种机头与旋梭同步电控信号控制机构,其特征在于:所述的上机头的光电开关二和下机头的光电开关二的指示灯同时点亮,此状态为针梭同步位,就完成了上、下机头的同步调整。
 
一种机头与旋梭同步电控信号的控制机构
技术领域
 
本发明涉及工业全自动缝纫机技术领域,具体涉及一种机头与旋梭同步电控信号的控制机构。
 
背景技术
 
在一种全自动工业缝纫机中,上机头主轴与下机头(旋梭箱)主轴是由两个电机独立驱动的,工作时必须达到同步运动,即:同步启动运转,同步停车。这个同步运动,按照现有的常规技术,通常需要在上机头主轴和下机头的驱动轴上,分别安装两个各自独立的光电信号轮和光电开关,每个信号轮对应一个光电开关,用以控制机头主轴的停车位和机针与旋梭的针梭同步位。由于各主轴上的两个光电信号轮是独立的,相互之间没有约束关系,控制机头主轴停车角度的光电信号轮的安装角度位置完全靠装配工人的工作经验去掌握,安装的随意性很大,所以无法保证机头主轴的精准停车角度位置,且在主轴上是安装了两个光电信号轮,所以,轴向占用空间也大,以上说明参看如图3、图4所示。
 
发明内容
 
本发明的目的在于克服上述现有技术的不足之处,提供了一种机头与旋梭同步电控信号控制机构,该机构将上机头主轴和下机头主轴上的两个光电信号轮分别改为了一个光电信号轮,从而减小了光电信号轮在主轴上的轴向占位空间,使机器的结构变得更加紧凑。
 
本发明的目的是通过以下技术方案实现的:
 
一种机头与旋梭同步电控信号控制机构,包括:上机头主轴、光电信号轮一、光电开关一、光电开关二、驱动电机输出轴、同步带轮、光电信号轮二、光电开关一、光电开关二、安装座一、安装座二、上机头、开关安装座、针杆、旋梭、梭尖、机针。
 
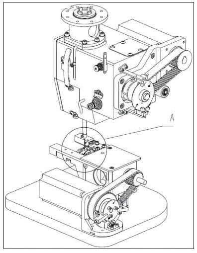
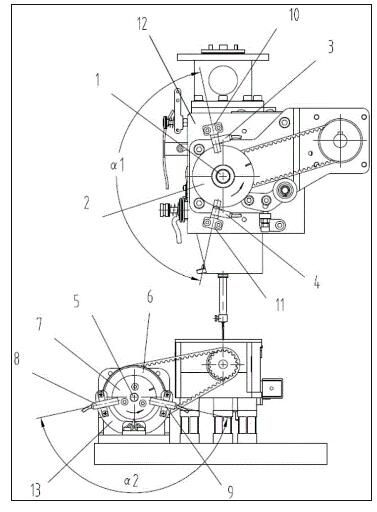
图3、图4为传统缝纫机机头与旋梭结构示意图,本发明的技术方案内容参考图1、图2所示:
 
1.将上机头主轴和下机头主轴上的两个光电信号轮分别改为了一个光电信号轮,从而减小了光电信号轮在主轴上的轴向占位空间,使机器的结构变得更加紧凑。
 
2.将上机头的光电开关一、 光电开关二和下机头的光电开关一、光电开关二分别安装在了各自光电信号轮旋转平面上预先设计好的规定位置,规定位置为:
 
A.上机头的光电开关一是机头主轴停车位的发信开关,当光电信号轮一上的豁口旋转至此时,光电开关发出电信号,可使主轴电机停止转动,此为停车位置。
 
B.上机头的光电开关二是上机头针杆与下机头旋梭的针梭同步的发信开关,当上机头主轴驱动针杆上升了一个规定高度时,光电信号轮一上的豁口旋转至光电开关二处,发出电信号,此时,下机头的梭尖相应的旋转至机针处,此位置定义为针梭同步位。光电开关一与光电开关二之间的角度为α1。
 
3.对应于上机头,在下机头电机轴上的信号轮处,安装有光电开关一和光电开关二,其之间的分布角度 α2=α1。 光电开关一为下机头停车位的发信开关,光电开关二为下机头的针梭同步位的发信开关。
 
本发明的优点和有益效果是:
 
1、节省了电控装置的占用空间,使机器结构更加紧凑。
 
2、主轴的停车角度位置和针梭同步位置,即:光电开关一和光电开关以及光电开关一和光电开关的安装位置,已由设计人员予以优选确定,限定了装配工人现场安装调整的自由度及不确定性,确保了批量生产中机器参数的一致性。
 
3、在安装调整光信号轮等电控元件时,只要用工装将针杆确定一个规定的提升高度,处于针梭同步位时,将上机头主轴上的光电信号轮的豁口旋转至光电开关二处,将其紧固于机头主轴上;将下机头电机轴上信号轮的豁口旋转至光电开关二处;然后将旋梭的梭尖旋转至机针处,将旋梭紧固于旋梭轴上,即完成了全部的安装调整工作,极大的减少了工人在装机时的调整工时,提高了装配工作效率。
 
附图说明
 
一种机头与旋梭同步电控信号的控制机构
图1是一种机头与旋梭同步电控信号控制机构的主视图;
 
一种机头与旋梭同步电控信号的控制机构
图2是一种机头与旋梭同步电控信号控制机构的立体图;
 
一种机头与旋梭同步电控信号的控制机构
图3是图2中A的细节放大图;
 
一种机头与旋梭同步电控信号的控制机构
图4是传统缝纫机机头与旋梭结构的主视图;
 
一种机头与旋梭同步电控信号的控制机构
图5是传统缝纫机机头与旋梭结构的左视图。
 
1.上机头主轴 2.光电信号轮一 3.光电开关一 4.光电开关二 5.驱动电机输出轴 6.同步带轮 7.光电信号轮二 8.光电开关一 9.光电开关二 10.安装座一 11.安装座二 12.上机头 13. 开关安装座 14.针杆 15.旋梭 16.梭尖 17.机针。
 
具体实施方式
 
为能进一步了解本发明的内容、特点以及功效,兹例举以下实施例,并配合附图详细说明如下。需要说明的是,本实施例是描述性的,不是限定性的,不能由此限定本发明的保护范围。
 
一种机头与旋梭同步电控信号控制机构,包括:上机头主轴(1)、光电信号轮一(2)、光电开关一(3)、光电开关二(4)、驱动电机输出轴(5)、同步带轮(6)、光电信号轮二(7)、光电开关一(8)、光电开关二(9)、安装座一(10)、安装座二(11)、上机头(12)、开关安装座(13)、针杆(14)、旋梭(15)、梭尖(16)、机针(17)。
 
具体技术实施方式是:
 
1. 在上机头主轴(1)上安装有一个光电信号轮一(2),在光电信号轮一(2)的迴转平面上分布安装有光电开关一(3)和光电开关二(4),光电开关一(3)和光电开关二(4)之间的分布角度为α1。
 
2. 在下机头的驱动电机输出轴(5)上安装有一个同步带轮(6),在同步带轮(6)上固定安装有光电信号轮二(7),在光电信号轮二(7)的迴转平面上分布安装有光电开关一(8)和光电开关二(9),光电开关一(8)和光电开关二(9)之间的分布角度为α2。
 
3.结构设计特征:令α2 = α1。
 
4.上机头的光电开关一(3)和光电开关二(4)的分布角度α1,是由光电开关一(3)的安装座一(10)和光电开关二(4)的安装座二(11)在上机头(12)上预制好的安装孔位所确定。
 
5.下机头的光电开关一(8)和光电开关二(9)安装在开关安装座(13)上,其分布角度α2由光电开关一(8)和光电开关二(9)在开关安装座(13)上的安装孔位所确定。
 
6.在对上、下机头进行同步调整时,首先,旋转上机头主轴(1),使针杆(14)由下死点上升了一个规定高度(此高度由装配工装确定),此时,在使上机头主轴(1)保持静止不动的状态下,旋转光电信号轮一(2),使信号轮上的豁口旋转至光电开关二(4)处,使光电开关二(4)的指示灯点亮,然后将光电信号轮一(2)锁紧于上机头主轴(1)上。
 
7.在保持上述第6条所述的状态下,旋转下机头驱动电机(5)上的同步带轮(6),使信号轮(7)上的豁口旋转至光电开关二(9)处,使光电开关二(9)的指示灯点亮,并保持静止在此位置,然后旋转旋梭(15),使旋梭的梭尖(16)旋转至机针(17)的中心处,然后将旋梭(15)紧固于旋梭轴上。此时,上机头的光电开关二(4)和下机头的光电开关二(9)的指示灯应同时点亮,此状态为针梭同步位。至此,即完成了上、下机头的同步调整。
 
8.由于机器的上、下机头驱动电机的转速相同,所以在完成了上述第6条、第7条的调整后,机器工作时,当上机头(12)的光电信号轮一(2)上的豁口旋转至光电开关一(3)处时,下机头光电信号轮(7)上的豁口即同步旋转至光电开关一(8)处,此位置为机器的停车位。
 
当机器程序发出停车指令时,机器的上、下机头即可在此位置停车,以上说明参见图1、图2。
 
Copyright © 宁波鄞州盖奇同步带轮有限公司 2007-2022 All Rights Reserved.
电话:4006-574-123/0574-27834692 传真:0574-27834691
地址:浙江省宁波市鄞州区姜山镇蔡郎桥村姜南路39-2 E-Mail:sales@belt-pulley.com  
浙ICP备09102982号 盖奇公司网络部提供技术支持 浙公网安备33021202003319号