【申请号 200920221401.4;专利权人:艾迪斯鼎力科技(天津)有限公司;发明人:高坤、万海波、刘丰岐】
本实用新型效果是:
使用两台直流电机控制云台系统的工作状态,调整内部的机械和电子内控装置,能够随工作过程中的具体情况对光源按理论照度分布线性情况来调整适合的光源位置和角度。采用此可控云台装置在整体上解决了传统照明系统中的光源过多,和散热困难的传统问题。有效的利用了光源照度的分布效果,减少了光源数量,有效的节约能量,提高了工作时间。因为传统照明系统中,光源不能准确的覆盖目标物,而采取用数量覆盖的方式解决照明死角的问题,照明过程中大量浪费能量,操作时间短。。新发明的云台可以随工作需要对光源进行立体 360 度旋转,可以明显解决照明死角问题。云台整体上减小了体积,比传统型照明系统更容易移动和携带。
发明内容
本实用新型所要解决的技术问题是:提供一种照明机构中新型控制系统。
本实用新型的技术方案是:
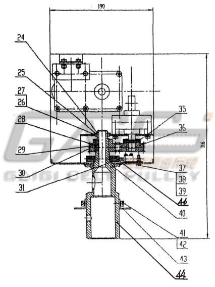
一种照明机构中新型控制系统,其特征在于:可旋转的箱体( 11 )内部的底面上固定有支架( 44 ) ,垂直轴( 7 )穿过箱体的底部和支架的上部,垂直轴通过轴承( 40 )与箱体的底部轴连接,垂直轴通过垂直轴套( 25 )与支架上部轴连接;支架上面固定垂直轴电机( 8 ) ,垂直轴电机的下垂直输出轴上固定连接主动同步带轮( 36 ) ,垂直轴上固定连接从动同步带轮 ( 28 ) ,主动同步带轮和从动同步带轮之间连接同步带;箱体内的支架上固定有双水平轴减速电机( 45 ) ,减速电机的双水平轴上各水平连接一个水平轴( 10 ) ,两个水平轴伸出箱体的侧壁,两个水平轴和箱体之间通过轴承活动连接,两个水平轴的外端各连接一个灯罩( 32 ) , 灯罩内有灯盒( 33 ) ,灯罩底部有灯保护罩( 34 )。
在箱体内的垂直轴上固定有限位凸轮( 46 ) ,与限位凸轮联动配合的限位开关 ( 31 )固定在箱体内的底板上。
箱体外的垂直轴上固定有电缆上固定板( 43 )。
在箱体内的一个水平轴上固定有开关凸轮( 47 ) ,与开关凸轮联动配合的有开关体 ( 21 ) ,开关体固定在箱体内的侧壁上。
水平轴外端部通过连接块( 23 )与灯罩箱体固定连接。
在垂直轴套( 25 )与支架上部轴连接处有第一调整垫( 26 )和第二调整垫( 27 )。
技术领域
本实用新型属于,特别涉及一种照明机构中新型控制系统。
本实用新型可广泛应用在各类救援,消防场所,如:车辆事故,房屋倒塌,火灾,或地震水灾等自然灾害中,被用于在视线和视野不能达到安全工作的情况下,提供可靠和有效的光源
背景技术
传统照明系统中,使用灯杆将光源整体支撑在高处,通过布置多个光源来完成对目标物体的照明,其结构上存在有结构不稳定,不易移动,不能调整角度,而且因为其需要多个光源同时工作,带来了能耗高,散热困难等问题。
附图说明



具体实施方式
设备中用直流电控制云台中的两台电机 8 、 45 对整机提供动力源。其中一台电机 45 与 2 个水平轴 10 相连接,光源被固定在相应的水平轴 10 上,当水平轴 10 受电机 45 驱动开始进行轴向旋转时,开关体 21 拥有控制单元可以控制水平电机的转速和旋转角度,操控光源的进行水平转动。另一台垂直轴电机带动主动同步带轮 36 和从动同步带轮 28 相连接,垂直电机工作输出径向扭矩,推动垂直轴 7 转动。垂直轴 7 同整个云台底座固定,限位开关 31 能够通过感受垂直轴 7 的转动速度和角度,控制垂直电机的工作状况,控制光源竖直旋转。
如图 1 、 2 、 3 所示的一种照明机构中新型控制系统,可旋转的箱体( H )内部的底面上固定有支架( 44 ) ,垂直轴( 7 )穿过箱体的底部和支架的上部,垂直轴通过轴承( 40 )与箱体的底部轴连接,垂直轴通过垂直轴套( 25 )与支架上部轴连接;支架上面固定垂直轴电机 ( 8 ) ,垂直轴电机的下垂直输出轴上固定连接主动同步带轮( 36 ) ,垂直轴上固定连接从动同步带轮( 28 ) ,主动同步带轮和从动同步带轮之间连接同步带;箱体内的支架上固定有双水平轴减速电机( 45 ) ,减速电机的双水平轴上各水平连接一个水平轴( 10 ) ,两个水平轴伸出箱体的侧壁,两个水平轴和箱体之间通过轴承活动连接,两个水平轴的外端各连接一个灯罩( 32 ) ,灯罩内有灯盒( 33 ) ,灯罩底部有灯保护罩( 34 )。
在垂直轴套( 25 )与支架上部轴连接处有第一调整垫( 26 )和第二调整垫( 27 )。
使用电动机控制的云台底座支撑光源,通过对电机带动内部机械和电子控制系统,能够调整照明设备在水平和竖直方向上的角度,达到自由调整光源照射效果的作用。
在箱体内的垂直轴上固定有限位凸轮( 46 ) ,与限位凸轮联动配合的限位开关 ( 31 )固定在箱体内的底板上。
箱体外的垂直轴上固定有电缆上固定板( 43 )。
在箱体内的一个水平轴上固定有开关凸轮( 47 ) ,与开关凸轮联动配合的有开关体 ( 21 ) ,开关体固定在箱体内的侧壁上。
水平轴外端部通过连接块( 23 )与灯罩箱体固定连接。
要求:
1 .一种照明机构中新型控制系统,其特征在于:可旋转的箱体( 11 )内部的底面上固定有支架( 44 ) ,垂直轴( 7 )穿过箱体的底部和支架的上部,垂直轴通过轴承( 40 )与箱体的底部轴连接,垂直轴通过垂直轴套( 25 )与支架上部轴连接;支架上面固定垂直轴电机( 8 ) ,垂直轴电机的下垂直输出轴上固定连接主动同步带轮( 36 ) ,垂直轴上固定连接从动同步带轮 ( 28 ) ,主动同步带轮和从动同步带轮之间连接同步带;箱体内的支架上固定有双水平轴减速电机( 45 ) ,减速电机的双水平轴上各水平连接一个水平轴( 10 ) ,两个水平轴伸出箱体的侧壁,两个水平轴和箱体之间通过轴承活动连接,两个水平轴的外端各连接一个灯罩( 32 ) , 灯罩内有灯盒( 33 ) ,灯罩底部有灯保护罩( 34 )。 2 .根据权利要求 1 所述的照明机构中新型控制系统,其特征在于:在箱体内的垂直轴上固定有限位凸轮( 46 ) ,与限位凸轮联动配合的限位开关( 31 )固定在箱体内的底板上。 3 .根据权利要求 1 所述的照明机构中新型控制系统,其特征在于:箱体外的垂直轴上固定有电缆上固定板( 43 )。 4 .根据权利要求 1 所述的照明机构中新型控制系统,其特征在于:在箱体内的一个水平轴上固定有开关凸轮( 47 ) ,与开关凸轮联动配合的有开关体( 21 ) ,开关体固定在箱体内的侧壁上。 5 .根据权利要求 1 所述的照明机构中新型控制系统,其特征在于:水平轴外端部通过连接块( 23 )与灯罩箱体固定连接。 6 .根据权利要求 1 所述的照明机构中新型控制系统,其特征在于:在垂直轴套( 25 )与支架上部轴连接处有第一调整垫( 26 )和第二调整垫( 27 )。
摘要
一种照明机构中新型控制系统,箱体内底面上固定支架,垂直轴穿过箱体的底部和支架的上部,垂直轴与箱体底部轴连接,垂直轴与支架上部轴连接;支架上固定垂直轴电机,垂直轴电机的轴上固定主动同步带轮,垂直轴上固定从动同步带轮,主动同步带轮和从动同步带轮之间连接同步带;支架上固定有双水平轴减速电机,减速电机的双水平轴上各水平连接一个水平轴,两个水平轴伸出箱体的侧壁,水平轴和箱体之间通过轴承活动连接,两个水平轴的外端各连接一个灯罩。此装置随工作需要对光源进行立体 360 度旋转,解决照明死角问题。有效的利用了光源照度的分布效果,减少光源数量,节约能量,提高了工作时间。体积小,容易移动和携带。
