当前位置:首页->播种机的播种滚筒快速更换机构

 播种机的播种滚筒快速更换机构

 
【申请公布号:CN107771481A;申请权利人:浙江博仁工贸有限公司; 发明设计人:陈佳峰; 尤匡标; 】
 
摘要:
 
播种机的播种滚筒快速更换机构,包括机架,在机架上设置固定架,固定架上设置储料斗、吹气管、播种滚筒、进料斗和接料斗,其特征在于:所述的固定架为单侧的一块竖板,在单侧的固定架上设置真空吸气轴和主动皮带轮,真空吸气轴的一头穿过固定架连接真空吸气阀,真空吸气轴上设置左端盖、右端盖和播种滚筒,左、右端盖中分别设置轴承,轴承内壁与真空吸气轴相配合,在左端盖上设置从动皮带轮,从动皮带轮与主动皮带轮之间设置同步带,主动皮带轮经动力带动旋转,在右端盖的右侧设置固定螺母,固定螺母与真空吸气轴螺纹连接。 
 
主权项:
 
播种机的播种滚筒快速更换机构,包括机架,在机架上设置固定架(1),固定架上设置储料斗(2)、吹气管(3)、播种滚筒(4)、进料斗(5)和接料斗(6),其特征在于:所述的固定架(1)为单侧的一块竖板,在单侧的固定架上设置真空吸气轴(7)和主动皮带轮(8),真空吸气轴的一头穿过固定架连接真空吸气阀(9),真空吸气轴上设置左端盖(10)、右端盖(11)和播种滚筒(4),左、右端盖中分别设置轴承(12),轴承内壁与真空吸气轴相配合,在左端盖上设置从动皮带轮(13),从动皮带轮与主动皮带轮(8)之间设置同步带(14),主动皮带轮经动力带动旋转,在右端盖的右侧设置固定螺母(15),固定螺母与真空吸气轴(7)螺纹连接。 
 
 
要求:
 
1.播种机的播种滚筒快速更换机构,包括机架,在机架上设置固定架(1),固定架上设置储料斗(2)、吹气管(3)、播种滚筒(4)、进料斗(5)和接料斗(6),其特征在于:所述的固定架(1)为单侧的一块竖板,在单侧的固定架上设置真空吸气轴(7)和主动皮带轮(8),真空吸气轴的一头穿过固定架连接真空吸气阀(9),真空吸气轴上设置左端盖(10)、右端盖(11)和播种滚筒(4),左、右端盖中分别设置轴承(12),轴承内壁与真空吸气轴相配合,在左端盖上设置从动皮带轮(13),从动皮带轮与主动皮带轮(8)之间设置同步带(14),主动皮带轮经动力带动旋转,在右端盖的右侧设置固定螺母(15),固定螺母与真空吸气轴(7)螺纹连接。
 
2.如权利要求1所述的播种机的播种滚筒快速更换机构,其特征在于:所述的固定架(1)上设置导轨(16),导轨上设置调节板(17),真空吸气轴(7)与调节板相固定,调节板上设置调节块(18),调节块中开有螺孔(19),在固定架上端设置转动手柄(20),转动手柄下制有螺杆(21),螺杆与调节块的螺孔相配合。
 
3.如权利要求1所述的播种机的播种滚筒快速更换机构,其特征在于:所述的左端盖(10)、右端盖(11)与播种滚筒(4)之间设置密封圈(22)。
 
 
 
播种机的播种滚筒快速更换机构
技术领域
 
本发明涉及播种机的播种滚筒,特别是涉及播种机的播种滚筒快速更换机构。
 
背景技术
 
现代农业生产的瓜果蔬菜等,通常是在大棚里用育苗盘育苗,而育苗盘中的种子采用播种机播种。现有的播种机大多为全自动播种机,全自动播种机的流程可分为搅拌土料、进盘、上土、压穴、播种、覆土、洒水和出盘叠放等,生产速度快,人工省。其中全自动播种机的播种机构一般包括左右两个固定架,左右两个固定架之间设置播种滚筒和储料斗,播种滚筒的上侧设置吹气管,播种滚筒的前侧设置接料斗,播种滚筒的后侧设置进料斗,进料斗上设有储料斗,已有播种滚筒两侧的端盖以及中间的真空吸气轴都为装配成一整个部件,无法轻易拆卸,而大部分农户通常仅有一台播种机,若要播撒不同形状大小的种子,就要更换不同孔径吸种孔的播种滚筒,而左右两个端盖分别连接固定座,固定座与固定架相固定,该结构左右两侧的固定架对播种滚筒进行固定连接,装配可靠,但是要将播种滚筒更换下来则十分麻烦,不仅要求操作人员对设备熟悉,而且每次更换播种滚筒费时费力,降低了工作效率。
 
发明内容
 
本发明的目的是为了克服已有技术存在的缺点,提供一种播种滚筒安装、拆卸快捷方便,提高生产效率,操作简单的播种机的播种滚筒快速更换机构。
 
本发明播种机的播种滚筒快速更换机构的技术方案是:包括机架,在机架上设置固定架,固定架上设置储料斗、吹气管、播种滚筒、进料斗和接料斗,其特征在于:所述的固定架为单侧的一块竖板,在单侧的固定架上设置真空吸气轴和主动皮带轮,真空吸气轴的一头穿过固定架连接真空吸气阀,真空吸气轴上设置左端盖、右端盖和播种滚筒,左、右端盖中分别设置轴承,轴承内壁与真空吸气轴相配合,在左端盖上设置从动皮带轮,从动皮带轮与主动皮带轮之间设置同步带,主动皮带轮经动力带动旋转,在右端盖的右侧设置固定螺母,固定螺母与真空吸气轴螺纹连接。
 
本发明公开了一种播种机的播种滚筒快速更换机构,工作时,由动力带动主动皮带轮旋转,主动皮带轮经同步带带动从动皮带轮旋转,从动皮带轮带动左端盖旋转,左端盖带动播种滚筒和右端盖旋转,真空吸气轴则保持不动,通过真空泵经真空吸气阀使真空吸气轴进行吸气,真空吸气轴使播种滚筒表面的吸种孔能吸取进料斗内的种子,再向下旋转播入育秧盘内,主要特征是在播种机的机架上设置单侧的固定架,在单侧的固定架上设置真空吸气轴,真空吸气轴上设置左、右端盖和播种滚筒,其中左端盖靠近固定架一侧不能轻易拆卸,而右端盖位于真空吸气轴的右侧,在右端盖的右侧再设置一个固定螺母,通过固定螺母对右端盖进行限位,其中真空吸气轴的右侧、播种滚筒的右侧、右端盖和固定螺母都处于悬空状态,当要更换播种滚筒时,只需将固定螺母拧出,固定螺母没有对右端盖限位,便能将右端盖从真空吸气轴的右侧取出,然后将播种滚筒取出,并换上所需的播种滚筒,最后将右端盖重新装上,并将固定螺母与真空吸气轴的右侧螺纹紧固即可,普通人员便能手动更换,安装、拆卸快捷方便,从而提高了生产效率。
 
本发明播种机的播种滚筒快速更换机构,所述的固定架上设置导轨,导轨上设置调节板,真空吸气轴与调节板相固定,调节板上设置调节块,调节块中开有螺孔,在固定架上端设置转动手柄,转动手柄下制有螺杆,螺杆与调节块的螺孔相配合。可通过旋转转动手柄,使螺杆与调节块螺纹配合,带动调节块和调节板沿着导轨向上或向上移动,调节板带动真空吸气轴向上或向下移动,从而可调节真空吸气轴和播种滚筒的上下高度。所述的左端盖、右端盖与播种滚筒之间设置密封圈。有了密封圈,保证左、右端盖与播种滚筒之间的密封性。
 
附图说明
 
播种机的播种滚筒快速更换机构
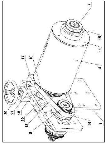
图1是本发明播种机的播种滚筒快速更换机构的立体示意图;
 
播种机的播种滚筒快速更换机构
图2是固定架、真空吸气轴、播种滚筒、左端盖、右端盖、固定螺母配合状态立体示意图;
 
播种机的播种滚筒快速更换机构
图3是固定架、真空吸气轴、播种滚筒、左端盖、右端盖、固定螺母配合状态结构示意图;
 
播种机的播种滚筒快速更换机构
图4是固定架、导轨、调节板、调节块、转动手柄、螺杆配合状态立体示意图。
 
具体实施方式
 
本发明涉及一种播种机的播种滚筒快速更换机构,如图1—图4所示,包括机架,在机架上设置固定架1,固定架上设置储料斗2、吹气管3、播种滚筒4、进料斗5和接料斗6,其特征在于:所述的固定架1为单侧的一块竖板,在单侧的固定架上设置真空吸气轴7和主动皮带轮8,真空吸气轴的一头穿过固定架连接真空吸气阀9,真空吸气轴上设置左端盖10、右端盖11和播种滚筒4,左、右端盖中分别设置轴承12,轴承内壁与真空吸气轴相配合,在左端盖上设置从动皮带轮13,从动皮带轮与主动皮带轮8之间设置同步带14,主动皮带轮经动力带动旋转,在右端盖的右侧设置固定螺母15,固定螺母与真空吸气轴7螺纹连接。工作时,由动力带动主动皮带轮8旋转,主动皮带轮经同步带14带动从动皮带轮13旋转,从动皮带轮带动左端盖10旋转,左端盖带动播种滚筒4和右端盖11旋转,真空吸气轴7则保持不动,通过真空泵经真空吸气阀9使真空吸气轴进行吸气,真空吸气轴使播种滚筒4表面的吸种孔能吸取进料斗5内的种子,再向下旋转播入育秧盘内,主要特征是在播种机的机架上设置单侧的固定架1,在单侧的固定架上设置真空吸气轴7,真空吸气轴上设置左、右端盖10、11和播种滚筒4,其中左端盖10靠近固定架1一侧不能轻易拆卸,而右端盖11位于真空吸气轴7的右侧,在右端盖的右侧再设置一个固定螺母15,通过固定螺母对右端盖进行限位,其中真空吸气轴7的右侧、播种滚筒4的右侧、右端盖11和固定螺母15都处于悬空状态,当要更换播种滚筒时,只需将固定螺母拧出,固定螺母没有对右端盖限位,便能将右端盖11从真空吸气轴7的右侧取出,然后将播种滚筒4取出,并换上所需的播种滚筒,最后将右端盖重新装上,并将固定螺母与真空吸气轴的右侧螺纹紧固即可,普通人员便能手动更换,安装、拆卸快捷方便,从而提高了生产效率。所述的固定架1上设置导轨16,导轨上设置调节板17,真空吸气轴7与调节板相固定,调节板上设置调节块18,调节块中开有螺孔19,在固定架上端设置转动手柄20,转动手柄下制有螺杆21,螺杆与调节块的螺孔相配合。可通过旋转转动手柄20,使螺杆21与调节块18螺纹配合,带动调节块和调节板17沿着导轨16向上或向上移动,调节板带动真空吸气轴7向上或向下移动,从而可调节真空吸气轴和播种滚筒4的上下高度。所述的左端盖10、右端盖11与播种滚筒4之间设置密封圈22。有了密封圈22,保证左、右端盖10、11与播种滚筒4之间的密封性。
 
Copyright © 宁波鄞州盖奇同步带轮有限公司 2007-2022 All Rights Reserved.
电话:4006-574-123/0574-27834692 传真:0574-27834691
地址:浙江省宁波市鄞州区姜山镇蔡郎桥村姜南路39-2 E-Mail:sales@belt-pulley.com  
浙ICP备09102982号 盖奇公司网络部提供技术支持 浙公网安备33021202003319号