当前位置:首页->电动车后轮悬挂装置

 电动车后轮悬挂装置

 
【授权公告号:CN207089569U;申请权利人:营口市飞龙碳纤维电动车有限公司; 发明设计人:刘金龙; 姚瑞;】
 
摘要:
 
本实用新型公开了一种电动车后轮悬挂装置,用作电动自行车、电动摩托车的后轮悬挂装置。包括集成骨架、中置电机、同步带、自定心法兰盘和单减震器,所述集成骨架兼作护板,所述中置电机固定于所述集成骨架之上,在所述中置电机的传动轴上设置与所述同步带一端啮合的主动同步带轮,所述同步带另一端与从动同步带轮啮合,所述从动同步带轮的传动轴固定于所述自定心法兰盘中,单减震器通过可旋转轴固定在所述集成骨架一侧凸起的平台上。实现了降低了机构重量,电动机散热更快,消除了热聚集效应。具有更好的操控稳定性和复杂路面适应性,特别适应瞬间冲击力较大的越野路况。 
 
主权项:
 
一种电动车后轮悬挂装置,包括集成骨架、中置电机、同步带、自定心法兰盘和单减震器,其特征在于,所述集成骨架兼作护板,所述中置电机固定于所述集成骨架之上,在所述中置电机的传动轴上设置与所述同步带一端啮合的主动同步带轮,所述同步带另一端与从动同步带轮啮合,所述从动同步带轮的传动轴固定于所述自定心法兰盘中,单减震器通过可旋转轴固定在所述集成骨架一侧凸起的平台上。 
 
要求:
 
1.一种电动车后轮悬挂装置,包括集成骨架、中置电机、同步带、自定心法兰盘和单减震器,其特征在于,所述集成骨架兼作护板,所述中置电机固定于所述集成骨架之上,在所述中置电机的传动轴上设置与所述同步带一端啮合的主动同步带轮,所述同步带另一端与从动同步带轮啮合,所述从动同步带轮的传动轴固定于所述自定心法兰盘中,单减震器通过可旋转轴固定在所述集成骨架一侧凸起的平台上。
 
2.根据权利要求1所述的悬挂装置,其特征在于,所述电动车为电动自行车或电动摩托车。
 
3.根据权利要求1所述的悬挂装置,其特征在于,所述集成骨架采用铝合金材料。
 
4.根据权利要求1所述的悬挂装置,其特征在于,所述同步带通过本身弹力及带齿啮合的方式与主动同步带轮、从动同步带轮弹性固定。
 
5.根据权利要求4所述的悬挂装置,其特征在于,所述同步带是由包括内表面的齿状层、中间强力层和外表面的外覆层形成的环形带。
 
6.根据权利要求5所述的悬挂装置,其特征在于,所述强力层为钢丝绳或玻璃纤维材料,所述外覆层为聚氨酯或氯丁橡胶材料。
 
7.根据权利要求1所述的悬挂装置,其特征在于,所述中置电机的线圈绕组位于转子的外侧,所述线圈绕组外部设置铝合金壳体。
 
8.根据权利要求1所述的悬挂装置,其特征在于,所述自定心法兰盘的中心设有凸起。
 
 
电动车后轮悬挂装置
技术领域
 
本实用新型涉及电动车零部件技术领域,特别是涉及一种电动自行车、电动摩托车后轮悬挂装置。
 
背景技术
 
电动自行车、电动摩托车的后轮悬挂装置是这类电动车辆的核心机构,主要执行车辆动力传输、行驶制动、车体其余部件及驾驶者的承载功能。现有技术中电动自行车、电动摩托车的后轮悬挂一般采用独立的碳钢骨架和碳钢护板、机械链条传动、双插臂弹簧减震、轮毂电机,整体车身重量较大。车身过重产生的问题是,动力系统损耗较大不利于节能减排;机械链条用金属材料制作,由于金属材料存在伸缩性,在大动力传动下会被逐渐拉长从而产生间隙降低传动结构稳定性。机械链条受其工作条件限制不能进行防锈处理,链条易生锈影响使用寿命;双插臂弹簧减震的舒适性和越野性能较差,当遇到颠簸路面时,减震效果不理想,同时簧下质量较大会影响车辆的操控性。除车身过重之外,传统轮毂电机的散热性能很差,发热体的线圈绕组在电机的轴心位置,外层依次被空气间隙、磁钢、轮毂和轮胎层层包裹,空气和轮胎的导热性能差,影响了电机散热和性能。此外,需要对碳钢零部件进行喷漆防锈处理,材料处理成本较高,喷漆防锈过程会造成严重的环境污染。
 
实用新型内容
 
本实用新型要解决的技术问题是提供一种结构重量轻、传动结构性能稳定、舒适性好的电动自行车、电动摩托车后轮悬挂装置。
 
本实用新型采用的技术方案是:一种电动车后轮悬挂装置,包括集成骨架、中置电机、同步带、自定心法兰盘和单减震器,所述集成骨架兼作护板,所述中置电机固定于所述集成骨架之上,在所述中置电机的传动轴上设置与所述同步带一端啮合的主动同步带轮,所述同步带另一端与从动同步带轮啮合,所述从动同步带轮的传动轴固定于所述自定心法兰盘中,单减震器通过可旋转轴固定在所述集成骨架一侧凸起的平台上。
 
进一步的,所述集成骨架采用铝合金材料;所述同步带通过本身弹力及带齿啮合的方式与主动同步带轮、从动同步带轮弹性固定。所述同步带是由包括内表面的齿状层、中间强力层和外表面的外覆层形成的环形带。所述强力层为钢丝绳或玻璃纤维材料,所述外覆层为聚氨酯或氯丁橡胶材料;所述中置电机的线圈绕组位于转子的外侧,所述线圈绕组外部设置铝合金壳体;所述自定心法兰盘的中心设有凸起。
 
本实用新型的有益效果是:将骨架、护板合二为一,采用兼具骨架及护板两种功能为一体的集成骨架,同时采用铝合金材料,以降低整体结构部件数量及体积的方式实现了降低了机构重量。采用同步带传动,同步带与齿形同步带轮啮合传动时,传动比准确对轴的作用力小、结构紧凑,耐油性、耐磨性和抗老化性能好。中置电机将线圈绕组从电机内部移到最外层,将转子位置移到轴心,这样发热体转移到外面,从结构上解决了散热问题。同时用导热性能优良的铝合金壳体将线圈绕组包裹起来,电动机散热更快,消除了热聚集效应。采用自定心法兰盘连接技术,利用法兰盘中心凸起的定位装置,使轮毂、法兰盘与传动轴获得更好的同轴度,减少高速行驶时车轮抖动,使车辆行驶中更稳定、更安全、操控性更好。单弹簧器减震悬臂悬挂系统可以有效的避免受力、弹性、阻尼力分配不均对车身稳定性的影响,能有效的吸收不平路面的冲击力并且平均分配给车身,使车架受力和刚度都得到整体改善,具有更好的操控稳定性和复杂路面适应性,特别适应瞬间冲击力较大的越野路况。
 
附图说明
 
电动车后轮悬挂装置
图1是电动车后轮悬挂装置总成透视示意图;
 
电动车后轮悬挂装置
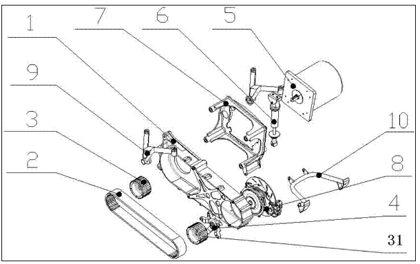
图2是电动车后轮悬挂装置总成爆炸图;
 
电动车后轮悬挂装置
图3是同步带示意图;
 
电动车后轮悬挂装置
图4是自定心法兰盘示意图。
 
图中标号表示:1.集成骨架、2.同步带、3.主动同步带轮、4.自定心法兰盘、5.中置电机、6.单减震器、7.电机护罩减震座、8.刹车系统、9.连接杆件、10.驻车支架、21.齿状层、22.中间强力层、23.外覆层、31.从动同步带轮、41.凸起
 
具体实施方式
 
下面结合附图对本实用新型的具体实施方式作进一步详细说明。
 
如图1、图2所示,电动自行车或者电动摩托车的后轮悬挂装置包括:采用铝合金材料制作兼作护板的集成骨架1、线圈绕组位于转子的外侧且线圈绕组外部设置铝合金壳体的中置电机5、由内表面的齿状层21、中间强力层22和外表面的外覆层23形成的同步带2、中心设有凸起41的自定心法兰盘4和可旋转轴固定在所述集成骨架1一侧凸起的平台上的单减震器6。所述中置电机5固定于所述集成骨架1之上,中置电机5与集成骨架1之间设有电机护罩减震座7。在所述中置电机的传动轴上设置与所述同步带2一端啮合的主动同步带轮3,所述同步带2另一端与从动同步带轮31啮合,所述同步带3通过本身弹力及带齿啮合的方式与主动同步带轮3、从动同步带轮31弹性固定。所述从动同步带轮的传动轴固定于所述自定心法兰盘4中,从动同步带轮31和自定心法兰盘4固定于集成骨架1的一端,通过刹车系统8向电动车的驱动轮传输动力。在集成骨架1连接中置电机5的一端安装连接杆件9用来固定集成骨架1和中置电机5,在中置电机5安装连接杆件9用来固定中置电机5和单减震器6。在集成骨架1下面设有驻车支架10。
 
集成骨架采用有限元分析方法将传统骨架与护板两个功能部件合二为一,兼具骨架以和护板功能,以降低整体结构部件数量及体积重量。选用高强度7075铝合金材料为集成骨架材料,其密度只有45钢的36%。在同样体积的情况下使用7075铝合金可以获得更好的结构稳定性以及更低的结构重量,从而达到降低骨架重量的目的。并且铝合金具有更好的耐腐蚀性,可以极大的延长装置的寿命,减少材料的浪费从而间接实现保护环境的目的。
 
中置电机的电机结构是将线圈绕组由在电机内部设置的方式改为设置在电机最外层,将转子设置到轴心。发热体设置在外层从结构上改善了散热方式。同时用导热性能优良的铝合金材质制成壳体包裹线圈绕组,使电动机散热更快消除热聚集效应。实验结果表明中置电机拥的速度、动力、工作区间、效率、散热、密封和稳定性优于传统电机。
 
由单减震器后组成的单减震器悬臂悬挂系统也称中心式减震悬挂系统,采用了轴心式倒叉结构,能够大幅降低了机车的簧下重量,吸震效果更佳。由于将后轮上下运动通过杆件变为减震器水平或者倾斜方向的运动,因减震器受力方向为纵向或者斜向,使车架受力和刚度都得到了整体的改善,从而实现了更好的操控稳定性和更好的应对路面复杂,瞬间冲击力较大的越野路况。
 
如图3所示,环形同步带3由内表面的齿状层、中间强力层和外表面的外覆层形成,齿状层与主动同步带轮、从动同步带轮啮合,强力层为钢丝绳或玻璃纤维材料,外覆层为聚氨酯或氯丁橡胶材料。同步带克服了机械链条传动稳定性不足问题,能够与齿形带轮良好啮合。同步带传动时传动比准确,结构紧凑对轴作用力小,耐油、耐磨性和抗老化性能好,具备带传动、链传动和齿轮传动的优点,转动时通过同步带带齿与同步带轮的齿槽相啮合来传递动力。同步带传动无滑差,具有准确的传动比因此可获得恒定的速比,传动比范围一般可达1:10。
 
如图4所示,自定心法兰盘在中心设有凸起,利用法兰盘中心凸起的定位作用,使轮毂、法兰盘和传动轴获得更好的同轴度,能够减少高速行驶时由于同轴度差所带来的车轮抖动。法兰盘上采用5颗螺栓固定,可以为轮毂提供更大的锁紧力。自定心法兰盘同样采用高强度7075铝合金作为主要材料,能够近一步降低减震弹簧下的重量,提供更好的操控性。
 
Copyright © 宁波鄞州盖奇同步带轮有限公司 2007-2022 All Rights Reserved.
电话:4006-574-123/0574-27834692 传真:0574-27834691
地址:浙江省宁波市鄞州区姜山镇蔡郎桥村姜南路39-2 E-Mail:sales@belt-pulley.com  
浙ICP备09102982号 盖奇公司网络部提供技术支持 浙公网安备33021202003319号