当前位置:首页->一种滚边压具垂直自动升降机构

 一种滚边压具垂直自动升降机构

 
【申请公布号:CN108144998A;申请权利人:上海君屹工业自动化股份有限公司;发明设计人:周全;】
 
摘要:
 
本发明涉及一种滚边压具垂直自动升降机构,包括马达、联轴器、升降机构和压具,其中所述升降机构包括同步带升降机构、同步带松紧调节机构、升降装置和架体,所述同步带升降机构竖直设置在架体上,所述架体上设有同步带松紧调节机构,用于调节同步带升降机构,所述架体上端设有升降装置,所述升降装置用于与压具连接、带动压具上下移动,所述升降装置通过传动机构与同步带升降机构连接,通过同步带升降机构带动升降装置上下移动,所述架体下端设有与同步带升降机构连接的同步带,通过同步带带动同步带升降机构的皮带转动,三个升降机构呈三角形设置。本发明结构简单,可实现升降装置同步上下运动,且同步性好,便于实际生产操作。 
 
主权项:
 
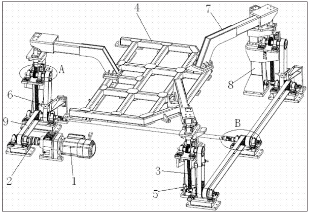
一种滚边压具垂直自动升降机构,包括马达(1)、联轴器(2)、升降机构(3)和压具(4),其特征在于:所述升降机构(3)包括同步带升降机构(5)、同步带松紧调节机构(6)、升降装置(7)和架体(8),所述同步带升降机构(5)竖直设置在架体(8)上,所述架体(8)上设有同步带松紧调节机构(6),用于调节同步带升降机构(5),所述架体(8)上端设有升降装置(7),所述升降装置(7)用于与压具(4)连接、带动压具(4)上下移动,所述升降装置(7)通过传动机构与同步带升降机构(5)连接,通过同步带升降机构(5)带动升降装置(7)上下移动,所述架体(8)下端设有与同步带升降机构(5)连接的同步带(9),通过同步带(9)带动同步带升降机构(5)的皮带转动,三个升降机构(3)呈三角形设置,且其中第一升降机构(3)上的同步带(9)与马达(1)连接、另外两个升降机构(3)上的同步带(9)通过无缝钢管(10)、连接轴(11)和万向接头(12)与第一升降机构(3)连接,通过无缝钢管(10)、连接轴(11)和万向接头(12)带动三个升降机构(3)上的同步带(9)同时转动。 
 
要求:
 
1.一种滚边压具垂直自动升降机构,包括马达(1)、联轴器(2)、升降机构(3)和压具(4),其特征在于:所述升降机构(3)包括同步带升降机构(5)、同步带松紧调节机构(6)、升降装置(7)和架体(8),所述同步带升降机构(5)竖直设置在架体(8)上,所述架体(8)上设有同步带松紧调节机构(6),用于调节同步带升降机构(5),所述架体(8)上端设有升降装置(7),所述升降装置(7)用于与压具(4)连接、带动压具(4)上下移动,所述升降装置(7)通过传动机构与同步带升降机构(5)连接,通过同步带升降机构(5)带动升降装置(7)上下移动,所述架体(8)下端设有与同步带升降机构(5)连接的同步带(9),通过同步带(9)带动同步带升降机构(5)的皮带转动,三个升降机构(3)呈三角形设置,且其中第一升降机构(3)上的同步带(9)与马达(1)连接、另外两个升降机构(3)上的同步带(9)通过无缝钢管(10)、连接轴(11)和万向接头(12)与第一升降机构(3)连接,通过无缝钢管(10)、连接轴(11)和万向接头(12)带动三个升降机构(3)上的同步带(9)同时转动。
 
2.根据权利要求1所述的一种滚边压具垂直自动升降机构,其特征在于:所述同步带升降机构(5)包括两个同步带轮和皮带,所述两个同步带轮分别设在架体(8)上下两端,且两个皮带轮通过皮带连接。
 
3.根据权利要求1所述的一种滚边压具垂直自动升降机构,其特征在于:所述同步带松紧调节机构(6)包括同步滚轮和可转动支架,所述可转动支架安装在架体(8)上,所述可转动支架与滚轮连接,所述滚轮设置在同步带升降机构(5)的皮带中间,用于调节同步带升降机构(5)皮带松紧。
 
4.根据权利要求1所述的一种滚边压具垂直自动升降机构,其特征在于:所述传动机构包括轴承座(13)、齿轮(14)、齿柱(15)和传动轴(16),所述轴承座(13)设置在架体(8)上端,所述齿轮(14)通过传动轴(16)安装在轴承座(13)上、与同步带升降机构(5)上的同步带轮连接,通过同步带升降机构(5)带动齿轮(14)转动,所述齿柱(15)设置在升降装置(7)上、与齿轮(14)相对应,通过齿轮(14)转动带动升降装置(7)上下移动。
 
5.根据权利要求4所述的一种滚边压具垂直自动升降机构,其特征在于:所述齿柱(15)通过直线轴承和靠轮(18)固定运动方向,用于保证齿柱(15)上下运动。
 
6.根据权利要求1所述的一种滚边压具垂直自动升降机构,其特征在于:所述同步带(9)与同步带升降机构(5)通过带轮传动轴连接,所述同步带(9)通过带轮传动轴带动带动同步带升降机构(5)的皮带转动。
 
7.根据权利要求1所述的一种滚边压具垂直自动升降机构,其特征在于:所述马达(1)通过联轴器(2)与同步带(9)连接。
 
8.根据权利要求1所述的一种滚边压具垂直自动升降机构,其特征在于:所述另外两个升降机构(3)上的同步带(9)通过同步带传动轴a连接,所述同步带传动轴a依次通过万向接头(12)、连接轴(11)和无缝钢管(10)与第一升降机构(3)上的带轮传动轴连接。
 
9.根据权利要求1所述的一种滚边压具垂直自动升降机构,其特征在于:所述架体(8)上下两端分别设有到位信号检测装置(17),用于控制马达(1)及时停止。
 
一种滚边压具垂直自动升降机构
技术领域
 
本发明属滚边压具升降机构技术领域,特别是涉及一种滚边压具垂直自动升降机构。
 
背景技术
 
现有滚边压具的垂直升降一般为通过气缸将压具顶升,做上下运动,同步性差,且操 作困难,影响产生效率。
 
发明内容
 
本发明所要解决的技术问题是提供一种滚边压具垂直自动升降机构,解决现有滚边压 具垂直升降装置同步性差,操作困难,生产效率低的问题。
 
本发明解决其技术问题所采用的技术方案是:提供一种滚边压具垂直自动升降机构, 包括马达、联轴器、升降机构和压具,其中所述升降机构包括同步带升降机构、同步带松 紧调节机构、升降装置和架体,所述同步带升降机构竖直设置在架体上,所述架体上设有 同步带松紧调节机构,用于调节同步带升降机构,所述架体上端设有升降装置,所述升降 装置用于与压具连接、带动压具上下移动,所述升降装置通过传动机构与同步带升降机构 连接,通过同步带升降机构带动升降装置上下移动,所述架体下端设有与同步带升降机构 连接的同步带,通过同步带带动同步带升降机构的皮带转动,三个升降机构呈三角形设置, 且其中第一升降机构上的同步带与马达连接、另外两个升降机构上的同步带通过无缝钢 管、连接轴和万向接头与第一升降机构连接,通过无缝钢管、连接轴和万向接头带动三个 升降机构上的同步带同时转动。
 
本发明的进一步技术方案是,所述同步带升降机构包括两个同步带轮和皮带,所述两 个同步带轮分别设在架体上下两端,且两个皮带轮通过皮带连接。
 
本发明的又进一步技术方案是,所述同步带松紧调节机构包括同步滚轮和可转动支 架,所述可转动支架安装在架体上,所述可转动支架与滚轮连接,所述滚轮设置在同步带 升降机构的皮带中间,用于调节同步带升降机构皮带松紧。
 
本发明的再进一步技术方案是,所述传动机构包括轴承座、齿轮、齿柱和传动轴,所 述轴承座设置在架体上端,所述齿轮通过传动轴安装在轴承座上、与同步带升降机构上的 同步带轮连接,通过同步带升降机构带动齿轮转动,所述齿柱设置在升降装置上、与齿轮 相对应,通过齿轮转动带动升降装置上下移动。
 
本发明的再进一步技术方案是,所述齿柱通过直线轴承和靠轮固定运动方向,用于保 证齿柱上下运动。
 
本发明的再进一步技术方案是,所述同步带与同步带升降机构通过带轮传动轴连接, 所述同步带通过带轮传动轴带动带动同步带升降机构的皮带转动。
 
本发明的再进一步技术方案是,所述马达通过联轴器与同步带连接。
 
本发明的再进一步技术方案是,所述另外两个升降机构上的同步带通过同步带传动轴 a连接,所述同步带传动轴a依次通过万向接头、连接轴和无缝钢管与第一升降机构上的 带轮传动轴连接。
 
本发明的更进一步技术方案是,所述架体上下两端分别设有到位信号检测装置,用于 控制马达及时停止。
 
有益效果
 
本发明结构简单,操作方便,可实现升降装置同步上下运动,且同步性好,便于实际 生产操作。
 
附图说明
 
一种滚边压具垂直自动升降机构
图1为本发明结构示意图。
 
一种滚边压具垂直自动升降机构
图2为图1中A处局部放大图。
 
一种滚边压具垂直自动升降机构
图3为图1中B处局部放大图。
 
一种滚边压具垂直自动升降机构
图4为图1中到位信号检测装置处局部放大图。
 
具体实施方式
 
下面结合具体实施例,进一步阐述本发明。应理解,这些实施例仅用于说明本发明而 不用于限制本发明的范围。此外应理解,在阅读了本发明讲授的内容之后,本领域技术人 员可以对本发明作各种改动或修改,这些等价形式同样落于本申请所附权利要求书所限定 的范围。
 
实施例1
 
如图1-4所示,一种滚边压具垂直自动升降机构,包括马达1、联轴器2、升降机构3 和压具4,其中所述升降机构3包括同步带升降机构5、同步带松紧调节机构6、升降装置 7和架体8,所述同步带升降机构5竖直设置在架体8上,所述架体8上设有同步带松紧 调节机构6,用于调节同步带升降机构5,所述架体8上端设有升降装置7,所述升降装置 7用于与压具4连接、带动压具4上下移动,所述升降装置7通过传动机构与同步带升降 机构5连接,通过同步带升降机构5带动升降装置7上下移动,所述架体8下端设有与同 步带升降机构5连接的同步带9,通过同步带9带动同步带升降机构5的皮带转动,三个 升降机构3呈三角形设置,且其中第一升降机构3上的同步带9与马达1连接、另外两个 升降机构3上的同步带9通过无缝钢管10、连接轴11和万向接头12与第一升降机构3连 接,通过无缝钢管10、连接轴11和万向接头12带动三个升降机构3上的同步带9同时转 动。
 
所述同步带升降机构5包括两个同步带轮和皮带,所述两个同步带轮分别设在架体8 上下两端,且两个皮带轮通过皮带连接,所述同步带松紧调节机构6包括同步滚轮和可转 动支架,所述可转动支架安装在架体8上,所述可转动支架与滚轮连接,所述滚轮设置在 同步带升降机构5的皮带中间,用于调节同步带升降机构5皮带松紧。
 
所述传动机构包括轴承座13、齿轮14、齿柱15和传动轴16,所述轴承座13设置在 架体8上端,所述齿轮14通过传动轴16安装在轴承座13上、与同步带升降机构5上的 同步带轮连接,通过同步带升降机构5带动齿轮14转动,所述齿柱15设置在升降装置7 上、与齿轮14相对应,通过齿轮14转动带动升降装置7上下移动,所述齿柱15通过直 线轴承和靠轮18固定运动方向,用于保证齿柱15上下运动
 
所述同步带9与同步带升降机构5通过带轮传动轴连接,所述同步带9通过带轮传动 轴带动带动同步带升降机构5的皮带转动,所述马达1通过联轴器2与同步带9连接,所 述另外两个升降机构3上的同步带9通过同步带传动轴a连接,所述同步带传动轴a依次 通过万向接头12、连接轴11和无缝钢管10与第一升降机构3上的带轮传动轴连接。
 
所述架体8上下两端分别设有到位信号检测装置18,用于控制马达1及时停止。
 
实际使用时,
 
如图1所示,工件需要传输时,马达驱动,通过同步带9、无缝钢管10、连接轴11、 万向接头12带动同步带升降机构5的同步转动,将马达输出的扭矩同步输送到各处的齿 轮处,各个齿轮带动齿柱向上运动,达到压具同步上升运动;传输完成,电机反转,同理 亦可将压具压紧到工作位。
 
Copyright © 宁波鄞州盖奇同步带轮有限公司 2007-2022 All Rights Reserved.
电话:4006-574-123/0574-27834692 传真:0574-27834691
地址:浙江省宁波市鄞州区姜山镇蔡郎桥村姜南路39-2 E-Mail:sales@belt-pulley.com  
浙ICP备09102982号 盖奇公司网络部提供技术支持 浙公网安备33021202003319号