当前位置:首页->一种锯片研磨机用机械臂机构

 一种锯片研磨机用机械臂机构

 
【申请公布号:CN108274390A;申请权利人:丹阳市宝利锯业机械有限公司;发明设计人:何小宝;】
 
摘要:
 
一种锯片研磨机用机械臂机构,其特征在于:所述的横向移动座(5)底面设有直线导轨(51),通过直线导轨(51)与高度移动座(4)活动连接,高度移动座(4)上设有横向移动滚珠丝杠(6)、滚珠丝杠螺母(7)与伺服电机(8),移动滚珠丝杠(6)一端通过同步带与伺服电机(8)连接,另一端穿过滚珠丝杠螺母(7)与横向移动座(5)连接,通过伺服电机(8)控制横向移动座(5)横向移动;所述的横向移动座(5)上设有机械臂(41)、机械臂旋转伺服电机(42),机械臂(41)上设有电磁吸盘(411);所述的高度移动座(4)上还设有锯片放置机构(9)。本发明,通过机械臂进行自动取料、上料、下料,自动化程度高。 
 
主权项:
 
1.一种锯片研磨机用机械臂机构,由安装座(1)、纵向移动座(2)、垂直固定座(3)、高度移动座(4)、横向移动座(5)组成;所述的纵向移动座(2)活动连接在安装座(1)上,通过位置调整手轮(11)调节纵向位置;垂直固定座(3)固定在纵向移动座(2)上;高度移动座(4)活动连接在垂直固定座(3)上,通过高低调整手轮(31)调节高度;横向移动座(5)与高度移动座(4)活动连接;其特征在于:所述的横向移动座(5)底面设有直线导轨(51),通过直线导轨(51)与高度移动座(4)活动连接,高度移动座(4)上设有横向移动滚珠丝杠(6)、滚珠丝杠螺母(7)与伺服电机(8),移动滚珠丝杠(6)一端通过同步带与伺服电机(8)连接,另一端穿过滚珠丝杠螺母(7)与横向移动座(5)连接,通过伺服电机(8)控制横向移动座(5)横向移动;所述的横向移动座(5)上设有机械臂(41)、机械臂旋转伺服电机(42),机械臂(41)上设有电磁吸盘(411);所述的高度移动座(4)上还设有锯片放置机构(9),锯片放置机构(9)上设有待磨片杆(91)与卸片杆(92);机械臂旋转伺服电机(42)带动机械臂(41)旋转到指定位置,后伺服电机(8)带动机械臂(41)进行横向移动,通过电磁吸盘(411)取放锯片。 
 
要求:
1.一种锯片研磨机用机械臂机构,由安装座(1)、纵向移动座(2)、垂直固定座(3)、高度移动座(4)、横向移动座(5)组成;所述的纵向移动座(2)活动连接在安装座(1)上,通过位置调整手轮(11)调节纵向位置;垂直固定座(3)固定在纵向移动座(2)上;高度移动座(4)活动连接在垂直固定座(3)上,通过高低调整手轮(31)调节高度;横向移动座(5)与高度移动座(4)活动连接;其特征在于:所述的横向移动座(5)底面设有直线导轨(51),通过直线导轨(51)与高度移动座(4)活动连接,高度移动座(4)上设有横向移动滚珠丝杠(6)、滚珠丝杠螺母(7)与伺服电机(8),移动滚珠丝杠(6)一端通过同步带与伺服电机(8)连接,另一端穿过滚珠丝杠螺母(7)与横向移动座(5)连接,通过伺服电机(8)控制横向移动座(5)横向移动;所述的横向移动座(5)上设有机械臂(41)、机械臂旋转伺服电机(42),机械臂(41)上设有电磁吸盘(411);所述的高度移动座(4)上还设有锯片放置机构(9),锯片放置机构(9)上设有待磨片杆(91)与卸片杆(92);机械臂旋转伺服电机(42)带动机械臂(41)旋转到指定位置,后伺服电机(8)带动机械臂(41)进行横向移动,通过电磁吸盘(411)取放锯片。
 
2.根据权利要求1所述的一种锯片研磨机用机械臂机构,其特征在于:所述的垂直固定座(3)由高低调整手轮(31)、导杆安装座(32)、减速器(33)、减速器安装座(34)、导杆(35)、固定板(36)、上下丝杆(37)组成;所述的固定板(36)底端固定在导杆安装座(32)上,通过导杆安装座(32)固定在纵向移动座(2)上,减速器安装座(34)固定在固定板(36)顶端,导杆(35)连接在导杆安装座(32)与减速器安装座(34)之间;上下丝杆(37)与减速器(33)连接,高低调整手轮(31)与减速器(33)连接,通过减速器(33)固定在减速器安装座(34)上。
 
3.根据权利要求1所述的一种锯片研磨机用机械臂机构,其特征在于:所述的锯片放置机构(9)由待磨片杆(91)、卸片杆(92)、锯片安装板(93)、三个强磁铁位置调整杆(94)、三个锯片分离强磁铁(95)、锯片角度调节机构(96)组成;所述的锯片角度调节机构(96)、待磨片杆(91)与卸片杆(92)固定在锯片安装板(93)上,三个锯片分离强磁铁(95)对应固定在三个强磁铁位置调整杆(94)上,通过强磁铁位置调整杆(94)固定在待磨片杆(91)四周。
 
4.根据权利要求3所述的一种锯片研磨机用机械臂机构,其特征在于:所述的强磁铁位置调整杆(94)上设有长条形的安装孔,锯片分离强磁铁(95)通过安装孔连接在强磁铁位置调整杆(94)上。
 
5.根据权利要求3所述的一种锯片研磨机用机械臂机构,其特征在于:所述的锯片角度调节机构(96)由连接杆、调整杆、压紧手柄、连接杆调节手柄组成,连接杆一端活动连接在锯片安装板(93)上通过连接杆调节手柄固定,另一端上设有条形孔,调整杆活动连接在条形孔上通过压紧手柄固定。
 
6.根据权利要求1所述的一种锯片研磨机用机械臂机构,其特征在于:所述的横向移动座(5)上还设有机械臂旋转原点传感器(12)。
 
7.根据权利要求1所述的一种锯片研磨机用机械臂机构,其特征在于:所述的横向移动座(5)上还设有机械臂横向原点传感器(13)。
 
8.根据权利要求1所述的一种锯片研磨机用机械臂机构,其特征在于:所述的高度移动座(4)上还设有润滑油分配器。
 
一种锯片研磨机用机械臂机构
技术领域
 
本发明涉及锯片生产加工技术领域,具体涉及一种锯片研磨机用机械臂机构。
 
背景技术
 
现有锯片加工用的研磨机在加工过程中,主要依靠人工进行上料与下料,人工上下料非常耗时,大大影响生产效率。
 
发明内容
 
针对以上缺点,本发明目的在于提供一种锯片研磨机用机械臂机构,调节纵向移动座与高度移动座的位置,使得机械臂位置满足工作准备状态;后通过机械臂旋转伺服电机带动机械臂旋转到待磨片杆或卸片杆处,再通过伺服电机带动横向移动座横向移动,使得机械臂到达指定位置进行锯片取放;自动取料、上料、下料,自动化程度高,进一步提高了生产效率,降低了劳动力。
 
本发明技术的技术方案是通过以下方式实现的:一种锯片研磨机用机械臂机构,由安装座、纵向移动座、垂直固定座、高度移动座、横向移动座组成;所述的纵向移动座活动连接在安装座上,通过位置调整手轮调节纵向位置;垂直固定座固定在纵向移动座上;高度移动座活动连接在垂直固定座上,通过高低调整手轮调节高度;横向移动座与高度移动座活动连接;其特征在于:所述的横向移动座底面设有直线导轨,通过直线导轨与高度移动座活动连接,高度移动座上设有横向移动滚珠丝杠、滚珠丝杠螺母与伺服电机,移动滚珠丝杠一端通过同步带与伺服电机连接,另一端穿过滚珠丝杠螺母与横向移动座连接,通过伺服电机控制横向移动座横向移动;所述的横向移动座上设有机械臂、机械臂旋转伺服电机,机械臂上设有电磁吸盘;所述的高度移动座上还设有锯片放置机构,锯片放置机构上设有待磨片杆与卸片杆;机械臂旋转伺服电机带动机械臂旋转到指定位置,后伺服电机带动机械臂进行横向移动,通过电磁吸盘取放锯片。
 
所述的垂直固定座由高低调整手轮、导杆安装座、减速器、减速器安装座、导杆、固定板、上下丝杆组成;所述的固定板底端固定在导杆安装座上,通过导杆安装座固定在纵向移动座上,减速器安装座固定在固定板顶端,导杆连接在导杆安装座与减速器安装座之间;上下丝杆与减速器连接,高低调整手轮与减速器连接,通过减速器固定在减速器安装座上。
 
所述的锯片放置机构由待磨片杆、卸片杆、锯片安装板、三个强磁铁位置调整杆、三个锯片分离强磁铁、锯片角度调节机构组成;所述的锯片角度调节机构、待磨片杆与卸片杆固定在锯片安装板上,三个锯片分离强磁铁对应固定在三个强磁铁位置调整杆上,通过强磁铁位置调整杆固定在待磨片杆四周。
 
所述的强磁铁位置调整杆上设有长条形的安装孔,锯片分离强磁铁通过安装孔连接在强磁铁位置调整杆上。
 
所述的锯片角度调节机构由连接杆、调整杆、压紧手柄、连接杆调节手柄组成,连接杆一端活动连接在锯片安装板上通过连接杆调节手柄固定,另一端上设有条形孔,调整杆活动连接在条形孔上通过压紧手柄固定。
 
所述的横向移动座上还设有机械臂旋转原点传感器,通过此传感器确定机械臂的旋转初始位置。
 
所述的横向移动座上还设有机械臂横向原点传感器,通过此传感器确定机械臂的横向初始位置。
 
所述的高度移动座上还设有润滑油分配器。
 
本发明,操作方便快捷,电磁吸盘位置移动精准,自动化程度高,通过机械臂进行自动取料、上料、下料,进一步提高了生产效率,降低了劳动力。
 
附图说明
 
一种锯片研磨机用机械臂机构
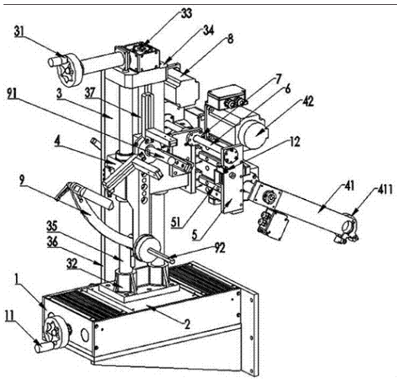
图1是本发明的立体结构图。
 
一种锯片研磨机用机械臂机构
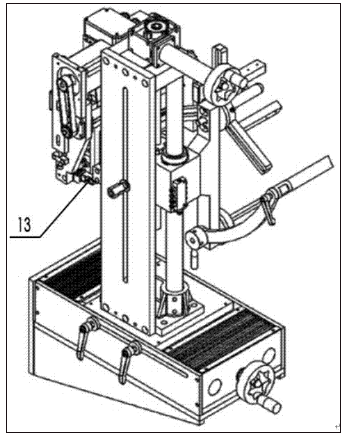
图2是图1的后视图。
 
一种锯片研磨机用机械臂机构
图3是图1中锯片放置机构的结构放大图。
 
图中:1 安装座、2纵向移动座、3垂直固定座、4高度移动座、5横向移动座、6横向移动滚珠丝杠、7滚珠丝杠螺母、8伺服电机、9锯片放置机构、11位置调整手轮、12机械臂旋转原点传感器、13机械臂横向原点传感器。
 
具体实施方式
 
由图1、图2知,一种锯片研磨机用机械臂机构,由安装座1、纵向移动座2、垂直固定座3、高度移动座4、横向移动座5组成;所述的纵向移动座2活动连接在安装座1上,通过位置调整手轮11调节纵向移动座2纵向位置并通过压紧手柄固定在安装座1上;垂直固定座3固定在纵向移动座2上,高度移动座4活动连接在垂直固定座3上,通过设有的高低调整手轮31调节高度移动座4的高度;横向移动座5与高度移动座4活动连接;所述的横向移动座5底面设有直线导轨52,通过直线导轨52与高度移动座4活动连接,高度移动座4上设有横向移动滚珠丝杠6、滚珠丝杠螺母7与伺服电机8,移动滚珠丝杠6一端通过同步带与伺服电机8连接,另一端穿过滚珠丝杠螺母7与横向移动座5连接,通过伺服电机8控制横向移动座5横向移动;所述的高度移动座4上还设有锯片放置机构9,锯片放置机构9上设有待磨片杆91与卸片杆92;所述的横向移动座5上设有机械臂41、机械臂旋转伺服电机42,机械臂41上设有电磁吸盘411;机械臂旋转伺服电机42带动机械臂41旋转到指定位置,后伺服电机8带动机械臂41进行横向移动,由电磁吸盘411取放锯片。
 
所述的垂直固定座3由高低调整手轮31、导杆安装座32、减速器33、减速器安装座34、导杆35、固定板36、上下丝杆37组成;所述的固定板36底端固定在导杆安装座32上,通过导杆安装座32固定在纵向移动座2上,减速器安装座34固定在固定板36顶端,导杆35连接在导杆安装座32与减速器安装座34之间,上下丝杆37与减速器33连接,高低调整手轮31与减速器33连接,通过减速器33固定在减速器安装座34上。所述的横向移动座5上还设有机械臂旋转原点传感器12,通过机械臂旋转原点传感器12确定机械臂41的旋转初始位置。所述的横向移动座5上还设有机械臂横向原点传感器13,通过机械臂横向原点传感器13确定机械臂41的横向初始位置。所述的高度移动座4上还设有润滑油分配器。
 
由图3知,所述的锯片放置机构9由待磨片杆91、卸片杆92、锯片安装板93、三个强磁铁位置调整杆94、三个锯片分离强磁铁95、锯片角度调节机构96组成;所述的锯片角度调节机构96、待磨片杆91与卸片杆92固定在锯片安装板93上,三个锯片分离强磁铁95对应固定在三个强磁铁位置调整杆94上,通过强磁铁位置调整杆94固定在待磨片杆91四周,一定数量叠放的待加工锯片放置在待磨片杆91上,通过四周分布的锯片分离强磁铁95分离,并通过锯片角度调节机构96调节待加工锯片的放置角度。所述的强磁铁位置调整杆94上设有长条形的安装孔,锯片分离强磁铁95通过安装孔连接在强磁铁位置调整杆94上,通过长条形的安装孔方便锯片分离强磁铁95调节安装位置,适应于放置不同尺寸的锯片。所述的锯片角度调节机构96由连接杆、调整杆、压紧手柄、连接杆调节手柄组成,连接杆一端活动连接在锯片安装板93上通过连接杆调节手柄固定,另一端上设有条形孔,调整杆活动连接在条形孔上通过压紧手柄固定;通过调节手柄调节连接杆位置,压紧手柄调节调整杆的位置,方便调节不同大小锯片的放置角度。
 
工作前通过位置调整手轮11调节纵向移动座2的纵向位置,再通过高低调整手轮31调节高度移动座4的高度,使得机械臂41进入工作位置;工作时,通过机械臂旋转伺服电机42带动机械臂41旋转到待磨片杆91或卸片杆92处,再通过伺服电机8带动机械臂41进入指定位置进行锯片的取放。本发明,操作方便快捷,电磁吸盘411位置移动精准,通过机械臂41进行自动取料、上料、下料,自动化程度高,进一步提高了生产效率,降低了劳动力。
Copyright © 宁波鄞州盖奇同步带轮有限公司 2007-2022 All Rights Reserved.
电话:4006-574-123/0574-27834692 传真:0574-27834691
地址:浙江省宁波市鄞州区姜山镇蔡郎桥村姜南路39-2 E-Mail:sales@belt-pulley.com  
浙ICP备09102982号 盖奇公司网络部提供技术支持 浙公网安备33021202003319号