当前位置:首页->四轴同步升降机构

 四轴同步升降机构

 
【授权公告号:CN207792590U;申请权利人:上海普偌迈机电制造有限公司;发明设计人:郑金龙; 傅勤文;】
 
摘要:
 
本实用新型公开了一种四轴同步升降机构,包括驱动装置和升降装置,所述驱动装置包括电机、减速机,所述电机的旋转轴与所述减速机连接;所述减速机上的输出轴与同步带轮一连接,所述同步带轮一通过传动带带动同步带轮二、同步带轮三转动;所述同步带轮二、同步带轮三分别设置在与动力头安装架连接的升降装置上,升降作业时,电机驱动减速机旋转,并通过同步带轮和同步带带动升降机一起工作,使动力头安装架的四个角同步升降,确保始终处于同一水平面,实现了本实用新型的目的。 
 
主权项:
 
1.一种四轴同步升降机构,包括驱动装置和升降装置,其特征在于:所述驱动装置包括电机、减速机,所述电机的旋转轴与所述减速机连接;所述减速机上的输出轴与同步带轮一连接,所述同步带轮一通过传动带带动同步带轮二、同步带轮三转动;所述同步带轮二、同步带轮三分别设置在与动力头安装架连接的升降装置上,所述升降装置包括4个升降机,所述4个升降机分别设置在动力头安装架四角,所述同步带轮二、同步带轮三分别设置在相邻的两升降机上,并通过与之连接的连杆分别与另外两升降机连接。 
 
要求:
1.一种四轴同步升降机构,包括驱动装置和升降装置,其特征在于:
 
所述驱动装置包括电机、减速机,所述电机的旋转轴与所述减速机连接;所述减速机上的输出轴与同步带轮一连接,所述同步带轮一通过传动带带动同步带轮二、同步带轮三转动;所述同步带轮二、同步带轮三分别设置在与动力头安装架连接的升降装置上,所述升降装置包括4个升降机,所述4个升降机分别设置在动力头安装架四角,所述同步带轮二、同步带轮三分别设置在相邻的两升降机上,并通过与之连接的连杆分别与另外两升降机连接。
 
2.根据权利要求1所述的一种四轴同步升降机构,所述动力头安装架呈矩形,四个角均设有竖直圆孔,所述升降机通过螺栓组件安装于动力头安装架的圆孔下方,并通过升降机上的升降轴垂直贯穿于动力头安装架上的圆孔。
 
3.根据权利要求1所述的一种四轴同步升降机构,所述升降机两两一组通过连杆连接在一起,同步带轮二、同步带轮三分别固定在两组升降机的外侧旋转轴上。
 
4.根据权利要求1所述的一种四轴同步升降机构,其特征在于,所述升降轴的底端设有可以调整高度的底座。
 
5.根据权利要求1所述的一种四轴同步升降机构,其特征在于,所述同步带轮一、同步带轮二、同步带轮三的内孔和所述减速机的输出轴、升降机的旋转轴上均设有键槽,并通过连接键连接固定。
 
6.根据权利要求5所述的一种四轴同步升降机构,其特征在于,所述连接键为普通平键A型。
 
7.根据权利要求1所述的一种四轴同步升降机构,其特征在于,所述电机类型为步进电机或伺服电机。
 
8.根据权利要求1所述的一种四轴同步升降机构,其特征在于,所述减速机为蜗轮蜗杆减速机。
 
9.根据权利要求1所述的一种四轴同步升降机构,其特征在于,所述电机和所述减速机均通过螺栓组件固定在所述动力头安装架上。
 
10.根据权利要求1所述的一种四轴同步升降机构,其特征在于,所述减速机的输出轴和所述升降机的旋转轴的外端还设有与之相应的轴端盖。
 
 
四轴同步升降机构
技术领域
 
本实用新型涉及一种升降机构,尤其涉及一种四轴同步升降机构。
 
背景技术
 
升降机构,是一种将人或者货物升降到某一高度的升降设备。在工厂、自动仓库等物流系统中进行垂直输送时,升降平台上往往还装有各种平面输送设备,作为不同高度输送线的连接装置。除作为不同高度的货物输送外,还被广泛应用于高空的安装、维修等作业。随着需求的不断变化,单个升降轴的升降机构已不能满足更加复杂的要求,于是四轴升降机构应运而生,不仅升降台的承载面积大幅增加,而且其承重能力也成倍提高,满足了各种高难需求,但目前的四轴升降机构却存在一个比较严重的问题,就是在升降过程中,四个升降机很难确保同步运转,这就导致升降平台无法始终保持水平,这样不仅会带来安全隐患,而且对后续的进一步作业也是非常不利的。
 
因此,如何设法使四轴同步升降,确保升降台动力头安装架不会在升降过程中造成倾斜是当下一个尤为迫切的问题。
 
实用新型内容
 
本实用新型的目的在于针对现有技术存在的问题,提供一种技术方案,使四个升降机同步转动,确保整个动力头安装架在升降过程中始终处于同一水平面。
 
为了实现上述目的,本实用新型的技术方案如下:
 
一种四轴同步升降机构,包括驱动装置和升降装置,其特征在于:所述驱动装置包括电机、减速机,所述电机的旋转轴与所述减速机连接;所述减速机上的输出轴与同步带轮一连接,所述同步带轮一通过传动带带动同步带轮二、同步带轮三转动;所述同步带轮二、同步带轮三分别设置在与动力头安装架连接的升降装置上,所述升降装置包括4个升降机,所述4个升降机分别设置在动力头安装架四角,所述同步带轮二、同步带轮三分别设置在相邻的两升降机上,并通过与之连接的连杆分别与另外两升降机连接。
 
在本实用新型的一个实施例中,所述动力头安装架呈矩形,四个角均设有竖直圆孔,所述升降机通过螺栓组件安装于动力头安装架的圆孔下方,并通过升降机上的升降轴垂直贯穿于动力头安装架上的圆孔。
 
在本实用新型的一个实施例中,所述升降机两两一组通过连杆连接在一起,同步带轮二、同步带轮三分别固定在两组升降机的外侧旋转轴上。
 
在本实用新型的一个实施例中,所述升降轴的底端设有可以调整高度的底座。
 
在本实用新型的一个实施例中,所述同步带轮一、同步带轮二、同步带轮三的内孔和所述减速机的输出轴、升降机的旋转轴上均设有键槽,并通过连接键连接固定。
 
在本实用新型的一个实施例中,所述键为普通平键A型。
 
在本实用新型的一个实施例中,所述电机类型为步进电机或伺服电机。
 
在本实用新型的一个实施例中,所述减速机采用蜗轮蜗杆减速机。
 
在本实用新型的一个实施例中,所述电机和所述减速机均通过螺栓组件固定在所述动力头安装架上。
 
在本实用新型的一个实施例中,所述减速机的输出轴和所述升降机的旋转轴的外端还设有与之相应的轴端盖。
 
本实用新型的四轴同步升降机构,有现有技术相比,将四个升降机两两分成一组,每组升降机之间通过连杆连接在一起,升降机外侧的旋转轴上均装有同步带轮,并与减速机的输出轴上的同步带轮通过同步带连在一起,在升降作业时,电机驱动减速机旋转,并通过同步带轮和同步带带动四个升降机一起工作,使得动力头安装架的四个角沿着四个升降轴同步升降,确保整个动力头安装架始终处于同一水平面,实现了本实用新型的目的。
 
本实用新型的特点可参阅本案如下图示及具体实施方式的详细说明而获得更清楚的了解。
 
附图说明
 
四轴同步升降机构
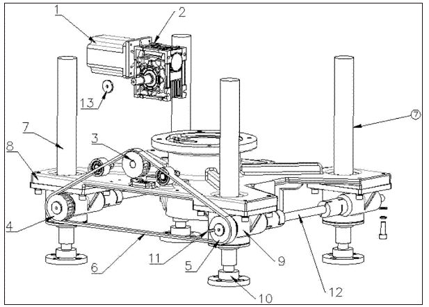
图1为本实用新型四轴同步升降机构的立体示意图。
 
其中,1-电机,2-减速机,3-同步带轮一,4-同步带轮二,5-同步带轮三,6传动带,7-升降轴,8-动力头安装架,9-升降机,10-底座,11-连接键,12连杆,13-轴端盖。
 
具体实施方式
 
为了使本实用新型的技术手段及实施方式易于理解,下面结合具体实施例进一步阐述本实用新型。
 
如图1所示,本实用新型公开了一种四轴同步升降机构,包括驱动装置和升降装置,
 
所述驱动装置包括电机1、减速机2,所述电机的旋转轴与所述减速机连接;所述减速机上的输出轴与同步带轮一3连接,所述同步带轮一3通过传动带6带动同步带轮二4、同步带轮三5转动;所述同步带轮二4、同步带轮三5分别设置在与动力头安装架连接的升降装置上,所述升降装置包括4个升降机9,所述4个升降机9分别设置在动力头安装架8四角,所述同步带轮二、同步带轮三分别设置在相邻的两升降机上,并通过与之连接的连杆分别与另外两升降机连接。
 
所述动力头安装架8呈矩形,每个角的内侧均设有竖直圆孔,所述升降机9通过螺栓组件安装于所述动力头安装架8的圆孔下方,所述升降轴7垂直贯穿于所述升降机9和所述动力头安装架8上的圆孔,所述升降机9两两一组通过连杆12连接在一起,同步带轮二4、同步带轮三5分别固定在两组升降机9的外侧旋转轴上,并与同步带轮一3通过传送带6连在一起,所述同步带轮一3固定在所述减速机2的输出轴上。
 
在本实用新型中,所述升降轴7的底端设有可以调整高度的底座10,底座10上带有旋转螺纹,可以通过旋转底座10调整升降轴7的高低,确保动力头安装架8静止时处于水平位置。
 
在本实用新型中,所述同步带轮一3、同步带轮二4、同步带轮三5的规格均为8M,传动带6的规格也为8M(157齿),所述同步带轮一3、同步带轮二4、同步带轮三5的内孔和所述减速机2的输出轴、升降机9的旋转轴上均设有键槽,并通过连接键11连接固定;传动带是以钢丝绳或玻璃纤维为强力层,外覆以聚氨酯或氯丁橡胶的环形带,带的内周制成齿状,使其与齿形带轮啮合,传动带6传动时,传动比准确,对轴作用力小,结构紧凑,耐油,耐磨性好,抗老化性能好。同步带轮,指的是一般由钢、铝合金、铸铁或黄铜等材料制成,其内孔为圆孔、D形孔、锥形孔等形式;同步带传动具有准确的传动比,无滑差,可获得恒定的速比,可精密传动,传动平稳,能吸震,噪音小,传动速比范围大,一般可达1:10,允许线速度可达50m/s,传动效率高,一般可达98%-99%。传递功率从几瓦到数百千瓦,结构紧凑还适用多轴传动,张紧力小,不需润滑,无污染等优点。
 
在本实用新型中,所述连接键11为普通平键A型。平键,是依靠两个侧面作为工作面,靠连接键与键槽侧面的挤压来传递转矩的键,平键分为普通型平键、薄型平键、导向型平键三种,其中,普通平键用途最广,因为其结构简单,拆装方便,对中性好,适合高速、承受变载、冲击的场合。普通平键又分为三种:A型,键两头半圆形;B型,键两头矩形;C型,键一头半圆形,一头矩形,A型平键用端铣刀加工轴上键槽,键在槽中固定好,但应力集中较大,应用广泛;B型键用盘铣刀加工轴上键槽,应力集中较小;C型键用于轴端。
 
在本实用新型中,所述减速机采用蜗轮蜗杆减速机。蜗轮蜗杆减速机是一种动力传达机构,利用齿轮的速度转换器,将电机(马达)的回转数减速到所需要的回转数,并得到较大转矩的机构。此外,蜗轮蜗杆减速机具有机械结构紧凑、体积外形轻巧、小型高效,热交换性能好、散热快,安装简易、灵活轻捷、性能优越、易于维护检修,运行平稳、噪音小、经久耐用,及使用性强、安全可靠性大等优点。需要提醒的是,减速机的标准配置为公转120RPM,如公转转速为26转时,需要更换减速机型号:WB100-WD23-550。
 
在本实用新型中,所述电机1的类型为步进电机或伺服电机。步进电机是将电脉冲信号转变为角位移或线位移的开环控制电机,应用极为广泛。在非超载的情况下,电机的转速、停止的位置只取决于脉冲信号的频率和脉冲数,而不受负载变化的影响,当步进驱动器接收到一个脉冲信号,它就驱动步进电机按设定的方向转动一个固定的角度,称为“步距角”,它的旋转是以固定的角度一步一步运行的。伺服电机(servo motor)是指在伺服系统中控制机械元件运转的发动机,是一种补助马达间接变速装置,伺服电机可以使控制速度、位置精度非常准确,可以将电压信号转化为转矩和转速以驱动控制对象。伺服电机转子转速受输入信号控制,并能快速反应,可把所收到的电信号转换成电动机轴上的角位移或角速度输出。电机驱动标准配置为A1605,当为伺服驱动时:电机需更换为A2846伺服电机,配有放大器,并带有键槽,减速机需要更换为A3018定制蜗轮蜗杆减速机。
 
在本实用新型中,所述电机和所述减速机均通过螺栓组件固定在所述动力头安装架上,使电机、减速机、动力头安装架连为一个整体,减少在升降过程中由于震动或传递带来的误差,此外,方便整个升降机构一起移动,并使其空间紧凑,减少空间浪费。
 
在本实用新型中,所述减速机的输出轴和所述升降机的旋转轴的外端还设有与之相应的轴端盖,端盖是应用广泛的机械零件之一,是轴承座的主要外部零件,轴承端盖的作用一是轴向固定轴承,二是起密封保护作用,防止轴承进入尘土等进入轴承造成损坏。
 
在本实施例中,在安装完成后,确保各升降机升降灵活,无卡阻现象,升降作业时,电机驱动减速机旋转,并通过三个同步带轮和同步带的旋转带动四个升降机一起工作,使得动力头安装架的四个角沿着四个升降轴同步升降,确保整个动力头安装架始终处于同一水平面,实现了本实用新型的目的。
 
以上显示和描述了本实用新型的基本原理、主要特征和本实用新型的优点。本行业的技术人员应该了解,本实用新型不受上述实施例的限制,上述实施例和说明书中描述的只是本实用新型的原理,在不脱离本实用新型精神和范围的前提下本实用新型还会有各种变化和改进,这些变化和改进都落入要求保护的本实用新型的范围内。本实用新型要求的保护范围由所附的权利要求书及其等同物界定。
Copyright © 宁波鄞州盖奇同步带轮有限公司 2007-2022 All Rights Reserved.
电话:4006-574-123/0574-27834692 传真:0574-27834691
地址:浙江省宁波市鄞州区姜山镇蔡郎桥村姜南路39-2 E-Mail:sales@belt-pulley.com  
浙ICP备09102982号 盖奇公司网络部提供技术支持 浙公网安备33021202003319号