当前位置:首页->架座支撑气动手持式钻机

 架座支撑气动手持式钻机

 
【申请公布号:CN109025837A;申请权利人:邹城兖矿泰德工贸有限公司;发明设计人:岳宁; 张仁同; 于春雨; 王帅; 张松林; 袁吉瑞;】
 
摘要:
 
本发明提供了一种架座支撑气动手持式钻机,包括钻机、钻杆和钻机滑动平台,所述钻杆一端安装在钻机内,另一端穿过固定钻套设置,钻机滑动平台的一端外侧设有驱动机构,驱动机构与减速机直连,减速机的输出轴与传动轴连接,传动轴上设有主动带轮,所述钻机滑动平台的另一端内设有从动带轮,所述主动带轮和从动带轮上安装有同步带;所述钻机滑动平台的两侧边设有直线导轨,所述直线导轨上滑动连接滑动板,所述滑动板底部与同步带连接,滑动板顶部安装有钻机。本发明钻孔时更加轻便,省时省力,降低劳动强度;可满足现场作业的各种不同角度需求,做到精确定位;大大降低了钻机气体排出的噪音,具有减震功能,可有效减缓钻探过程中造成的冲击。 
 
主权项:
 
1.架座支撑气动手持式钻机,包括钻机(1)、钻杆(2)和钻机滑动平台(3),所述钻杆(2)一端安装在钻机(1)内,另一端穿过固定钻套(4)设置,其特征在于:所述钻机滑动平台(3)的一端外侧设有驱动机构(301),所述驱动机构(301)与减速机(302)直连,所述减速机(302)的输出轴穿过钻机滑动平台(3)外壁与传动轴(303)连接,所述传动轴(303)上设有主动带轮(304),所述钻机滑动平台(3)的另一端内设有从动带轮(305),所述主动带轮(304)和从动带轮(305)上安装有同步带(306);所述钻机滑动平台(3)的两侧边设有直线导轨(307),所述直线导轨(307)上滑动连接滑动板(5),所述滑动板(5)底部与同步带(306)连接,滑动板(5)顶部安装有钻机(1)。 
 
要求:
 
1.架座支撑气动手持式钻机,包括钻机(1)、钻杆(2)和钻机滑动平台(3),所述钻杆(2)一端安装在钻机(1)内,另一端穿过固定钻套(4)设置,其特征在于:所述钻机滑动平台(3)的一端外侧设有驱动机构(301),所述驱动机构(301)与减速机(302)直连,所述减速机(302)的输出轴穿过钻机滑动平台(3)外壁与传动轴(303)连接,所述传动轴(303)上设有主动带轮(304),所述钻机滑动平台(3)的另一端内设有从动带轮(305),所述主动带轮(304)和从动带轮(305)上安装有同步带(306);所述钻机滑动平台(3)的两侧边设有直线导轨(307),所述直线导轨(307)上滑动连接滑动板(5),所述滑动板(5)底部与同步带(306)连接,滑动板(5)顶部安装有钻机(1)。
 
2.根据权利要求1所述的架座支撑气动手持式钻机,其特征在于:所述钻机(1)前端设有套头(101),所述钻杆(2)穿过套头(101)安装在钻机(1)内,所述钻机(1)侧面设有用以控制套头(101)松紧的松紧按钮(102)。
 
3.根据权利要求1所述的架座支撑气动手持式钻机,其特征在于:所述钻机(1)侧面设有用以控制钻杆(2)正转和反转的正转按钮(103)和反转按钮(104)。
 
4.根据权利要求1所述的架座支撑气动手持式钻机,其特征在于:所述钻机(1)两侧设有把手(105),所述把手(105)的一端通过连接管(106)与钻机(1)连接,所述连接管(106)与钻机(1)的排气通道连通,所述把手(105)与连接管(106)连通,所述把手(105)的另一端固定连接消音器(107),所述消音器(107)的输出端设有垂向地面方向的排气管(108),所述把手(105)上设有防滑垫(109)。
 
5.根据权利要求4所述的架座支撑气动手持式钻机,其特征在于:所述消音器(107)内部通过隔断分成三个空间,把手(105)穿过消音器(107)内部的第一空间(1071),并与第二空间(1072)连通,所述消音器(107)内部的第二空间(1072)两侧对称设有多孔气管(1074),多孔气管(1074)的侧壁上设有若干孔洞,多孔气管(1074)的输出端与消音器(107)内部的第三空间(1073)相连通,排气管(108)一部分设于所述消音器(107)内部的第三空间(1073)内,排气管(108)位于消音器(107)内的部分的侧壁上设有若干孔洞。
 
6.根据权利要求1所述的架座支撑气动手持式钻机,其特征在于:所述滑动板(5)两侧设有挡板(501),所述挡板(501)内壁与第一固定块(502)固定连接,所述第一固定块(502)之间设有连接杆(503),所述连接杆(503)上套设两个滑动块(504),所述滑动块(504)与第一固定块(502)之间设有用以减震的第一弹簧(505),所述第一弹簧(505)套设在连接杆(503)外侧,所述滑动块(504)的一侧均铰接有转动杆(506),所述转动杆(506)与钻机(1)底端的顶块(110)铰接;所述钻机(1)底端两侧均设有减震槽(111),所述减震槽(111)底端设有第二固定块(112),所述第一固定块(502)上固定连接减震杆(507),所述减震杆(507)的顶端穿过第二固定块(112)设置,所述第二固定块(112)与第一固定块(502)之间设有套在减震杆(57)外侧的第二弹簧(508)。
 
7.根据权利要求1所述的架座支撑气动手持式钻机,其特征在于:所述钻机滑动平台(3)的前部设有与钻机滑动平台(3)铰接的第一铰接座(6),所述钻机滑动平台(3)的后部设有与钻机滑动平台(3)铰接的第二铰接座(7),所述第一铰接座(6)底部连接第一升降装置(8),所述第二铰接座(7)底部连接第二升降装置(9),所述第一升降装置(8)和第二升降装置(9)均安装在支撑底座(10)上,所述支撑底座(10)上设有滚轮(11),所述滚轮(11)上设有用以固定滚轮(11)的踏板。
 
8.根据权利要求1所述的架座支撑气动手持式钻机,其特征在于:所述钻机(1)上端设有水平仪(113),所述钻机滑动平台(3)侧面设有角度仪(308)。
 
9.根据权利要求1所述的架座支撑气动手持式钻机,其特征在于:所述钻机滑动平台(3)底部设有气泵(12),所述气泵(12)位于驱动机构(301)下方,所述驱动机构(301)采用气动马达,所述气泵(12)通过第一气管(13)与钻机(1)连接,所述气泵(12)通过第二气管(14)与气动马达连接,气泵(12)为气动马达和钻机(1)提供气源。
 
10.根据权利要求9所述的架座支撑气动手持式钻机,其特征在于:所述钻机滑动平台(3)远离固定钻套(4)的一端设有限位板(15),所述限位板(15)和固定钻套(4)的顶端均设有挡块(16),所述钻机(1)顶部的前后两端设有距离感应器(114),所述钻机(1)侧面设有PLC控制器(115),所述PLC控制器(115)分别与距离感应器(114)、钻机(1)和气动马达电性连接。
 
架座支撑气动手持式钻机
技术领域
 
本发明涉及煤矿机械设备技术领域,具体地说是一种架座支撑气动手持式钻机。
 
背景技术
 
随着我国经济建设的快速发展,能源需求极大,煤炭资源作为我国能源供应的主要来源在未来很长一段时间内很难改变,致使煤炭工业不断朝着机械化、自动化方向发展。目前,用于煤矿巷道的深孔钻机主要采用电动或液压油为动力源,煤矿巷道里所有设备必须是防爆的,所以设备需配备防爆气动马达,由于其结构复杂,造成携带及使用时的不便。现有煤矿巷道内使用的气动手持式钻机由于自重较重,反扭矩较大,操作人员的劳动强度高,在钻探过程中仅靠人力推动钻杆前进,阻力大,传统钻机也会配备一些辅助机构,比如弹簧或丝杠等来辅助钻机的推送,但通过丝杠来辅助推送,丝杠与螺纹结构配合旋转时也会带有一定阻力,并且在抽离钻机时,丝杠旋转会带来的阻力,并且促使丝杠旋转的驱动机构亦需要进行反转,结构复杂,操作不便;通过弹簧作用效率相对较高,推送或抽离钻机时,不会有阻力产生,但弹簧时间长了之后会产生不容易恢复的形变,导致弹簧作为辅助机构作用大大降低,需要经常进行更换,不利于节约成本。
 
发明内容
 
本发明的目的是解决上述现有技术的不足,提供架座支撑气动手持式钻机。
 
本发明解决其技术问题所采用的技术方案是:
 
架座支撑气动手持式钻机,包括钻机、钻杆和钻机滑动平台,所述钻杆一端安装在钻机内,另一端穿过固定钻套设置,其特征在于:所述钻机滑动平台的一端外侧设有驱动机构,所述驱动机构与减速机直连,所述减速机的输出轴穿过钻机滑动平台外壁与传动轴连接,所述传动轴上设有主动带轮,所述钻机滑动平台的另一端内设有从动带轮,所述主动带轮和从动带轮上安装有同步带;所述钻机滑动平台的两侧边设有直线导轨,所述直线导轨上滑动连接滑动板,所述滑动板底部与同步带连接,滑动板顶部安装有钻机。
 
优选的,所述钻机前端设有套头,所述钻杆穿过套头安装在钻机内,所述钻机侧面设有用以控制套头松紧的松紧按钮。
 
优选的,所述钻机侧面设有用以控制钻杆正转和反转的正转按钮和反转按钮。
 
优选的,所述钻机两侧设有把手,所述把手的一端通过连接管与钻机连接,所述连接管与钻机的排气通道连通,所述把手与连接管连通,所述把手的另一端固定连接消音器,所述消音器的输出端设有垂向地面方向的排气管,所述把手上设有防滑垫。
 
进一步的,所述消音器内部通过隔断分成三个空间,把手穿过消音器内部的第一空间,并与第二空间连通,所述消音器内部的第二空间两侧对称设有多孔气管,多孔气管的侧壁上设有若干孔洞,多孔气管的输出端与消音器内部的第三空间相连通,排气管一部分设于所述消音器内部的第三空间内,排气管位于消音器内的部分的侧壁上设有若干孔洞。
 
优选的,所述滑动板两侧设有挡板,所述挡板内壁与第一固定块固定连接,所述第一固定块之间设有连接杆,所述连接杆上套设两个滑动块,所述滑动块与第一固定块之间设有用以减震的第一弹簧,所述第一弹簧套设在连接杆外侧,所述滑动块的一侧均铰接有转动杆,所述转动杆与钻机底端的顶块铰接;所述钻机底端两侧均设有减震槽,所述减震槽底端设有第二固定块,所述第一固定块上固定连接减震杆,所述减震杆的顶端穿过第二固定块设置,所述第二固定块与第一固定块之间设有套在减震杆外侧的第二弹簧。
 
优选的,所述钻机滑动平台的前部设有与钻机滑动平台铰接的第一铰接座,所述钻机滑动平台的后部设有与钻机滑动平台铰接的第二铰接座,所述第一铰接座底部连接第一升降装置,所述第二铰接座底部连接第二升降装置,所述第一升降装置和第二升降装置均安装在支撑底座上,所述支撑底座上设有滚轮,所述滚轮上设有用以固定滚轮的踏板。
 
优选的,所述钻机上端设有水平仪,所述钻机滑动平台侧面设有角度仪。
 
优选的,所述钻机滑动平台底部设有气泵,所述气泵位于驱动机构下方,所述驱动机构采用气动马达,所述气泵通过第一气管与钻机连接,所述气泵通过第二气管与气动马达连接,气泵为气动马达和钻机提供气源。
 
进一步的,所述钻机滑动平台远离固定钻套的一端设有限位板,所述限位板和固定钻套的顶端均设有挡块,所述钻机顶部的前后两端设有距离感应器,所述钻机侧面设有PLC控制器,所述PLC控制器分别与距离感应器、钻机和气动马达电性连接。
 
本发明为便携式钻机,它具有安全防爆、重量轻、体积小、效率高、结构简单、维修方便等特点;钻机滑动平台上安装有驱动机构,钻孔时更加轻便,省时省力,降低劳动强度;钻机上设有水平仪,钻机滑动平台上设有角度仪,可满足现场作业的各种不同角度需求,做到精确定位;该手持式钻机设有消音器,大大降低了钻机气体排出的噪音,降低对工人身体造成的伤害;可控制钻机和气动马达的正转和反转,避免钻杆造成损伤,同时具有减震功能,可有效减缓钻探过程中造成的冲击。
 
附图说明
 
构成本发明的一部分附图用来提供对本发明的进一步理解。在附图中:
 
架座支撑气动手持式钻机
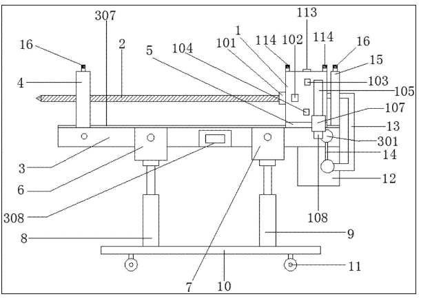
图1是本发明架座支撑气动手持式钻机的结构示意图。
 
架座支撑气动手持式钻机
图2是本发明钻机滑动平台的俯视图。
 
架座支撑气动手持式钻机
图3是本发明钻机的右视图。
 
架座支撑气动手持式钻机
图4是本发明消音器的内部结构图。
 
架座支撑气动手持式钻机
图5是本发明钻机与滑动块之间连接的结构示意图。
 
架座支撑气动手持式钻机
图6是本发明支撑底座的仰视图。
 
图中:1、钻机;101、套头;102、松紧按钮;103、正转按钮;104、反转按钮;105、把手;106、连接杆;107、消音器;1071、第一空间;1072、第二空间;1073、第三空间;1074、多孔气管;108、排气管;109、防滑垫;110、顶块;111、减震槽;112、第二固定块;113、水平仪;114、距离感应器;115、PLC控制器;116、气孔;2、钻杆;3、钻机滑动平台;301、驱动机构;302、减速机;303、传动轴;304、主动带轮;305、从动带轮;306、同步带;307、直线导轨;308、角度仪;4、固定钻套;5、滑动板;501、挡板;502、第一固定块;503、连接杆;504、滑动块;505、第一弹簧;506、转动杆;507、减震杆;508、第二弹簧;6、第一铰接座;7、第二铰接座;8、第一升降装置;9、第二升降装置;10、支撑底座;1001、横梁;1002、加强板;11、滚轮;12、气泵;13、第一气管;14、第二气管;15、限位板;16、挡块。
 
具体实施方式
 
下面将结合本发明实施例中的附图,对本发明实施例中的技术方案进行清楚、完整地描述,显然,所描述的实施例仅仅是本发明一部分实施例,而不是全部的实施例。基于本发明中的实施例,本领域普通技术人员在没有做出创造性劳动前提下所获得的所有其他实施例,都属于本发明保护的范围。
 
如图1和2所示,架座支撑气动手持式钻机,包括钻机1、钻杆2和钻机滑动平台3,所述钻杆2一端安装在钻机1内,另一端穿过固定钻套4设置,所述钻机滑动平台3的一端外侧设有驱动机构301,所述驱动机构301与减速机302直连,所述减速机302的输出轴穿过钻机滑动平台3外壁与传动轴303连接,所述传动轴303上设有主动带轮304,所述钻机滑动平台3的另一端内设有从动带轮305,所述主动带轮304和从动带轮305上安装有同步带306;所述钻机滑动平台3的两侧边设有直线导轨307,所述直线导轨307上滑动连接滑动板5,所述滑动板5底部与同步带306连接,滑动板5顶部安装有钻机1。
 
所述钻机1前端设有套头101,所述钻杆2穿过套头101安装在钻机1内,所述钻机1侧面设有用以控制套头101松紧的松紧按钮102,可通过松紧按钮102来安装或拆卸钻杆2,并夹紧钻杆2。
 
所述钻机1侧面设有用以控制钻杆2正转和反转的正转按钮103和反转按钮104,钻杆2正转进行钻探作业,抽离钻杆2时,钻杆2反转可减少抽离过程中钻杆2与矿孔之间的阻力,防止钻杆2受到损伤。
 
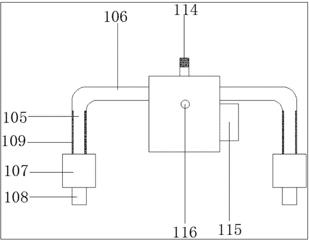
如图1和3所示,所述钻机1两侧设有把手105,所述把手105的一端通过连接管106与钻机1连接,所述连接管106与钻机1的排气通道连通,所述把手105与连接管106连通,所述把手105的另一端固定连接消音器107,所述消音器107的输出端设有垂向地面方向的排气管108,所述把手105上设有防滑垫109,增加握持舒适度。
 
如图4所示,所述消音器107内部通过隔断分成三个空间,把手105穿过消音器107内部的第一空间1071,并与第二空间1072连通,所述消音器107内部的第二空间1072两侧对称设有多孔气管1074,多孔气管1074的侧壁上设有若干孔洞,多孔气管1074的输出端与消音器107内部的第三空间1073相连通,排气管108一部分设于所述消音器107内部的第三空间1073内,排气管108位于消音器107内的部分的侧壁上设有若干孔洞。消音器107可有效减缓钻探作业时排出气体时产生的噪音,对施工人员的耳朵进行保护,同时可为施工人员的交流提供听力保障。
 
如图5所示,所述滑动板5两侧设有挡板501,所述挡板501内壁与第一固定块502固定连接,所述第一固定块502之间设有连接杆503,所述连接杆503上套设两个滑动块504,所述滑动块504与第一固定块502之间设有用以减震的第一弹簧505,所述第一弹簧505套设在连接杆503外侧,所述滑动块504的一侧均铰接有转动杆506,所述转动杆506与钻机1底端的顶块110铰接;所述钻机1底端两侧均设有减震槽111,所述减震槽111底端设有第二固定块112,所述第一固定块502上固定连接减震杆507,所述减震杆507的顶端穿过第二固定块112设置,所述第二固定块112与第一固定块502之间设有套在减震杆57外侧的第二弹簧508。通过设置第一弹簧505和第二弹簧508,可有效减缓钻探过程中钻机本体工作产生的振动,并可减缓钻杆2与矿体接触钻探过程中产生的振动,从而导致钻头钻出的钻孔形状不规则,第一弹簧505可抵消水平方向带来的振动,第二弹簧508可抵消垂直方向带来的振动,使得钻探作业更加稳定,有效保护钻杆2受到损伤的同时,减缓施工人员操作过程中带来的震感。
 
如图1所示,所述钻机滑动平台3的前部设有与钻机滑动平台3铰接的第一铰接座6,所述钻机滑动平台3的后部设有与钻机滑动平台3铰接的第二铰接座7,所述第一铰接座6底部连接第一升降装置8,所述第二铰接座7底部连接第二升降装置9,所述第一升降装置8和第二升降装置9均安装在支撑底座10上,所述支撑底座10上设有滚轮11,所述滚轮11上设有用以固定滚轮11的踏板。通过第一升降装置8和第二升降装置9可调整钻机1的工作高度,并可调整钻机1工作的角度。
 
所述钻机1上端设有水平仪113,水平仪113用以精确水平位置,使得钻机1沿水平方向运动;所述钻机滑动平台3侧面设有角度仪308,角度仪308用以精确钻探角度。
 
所述钻机滑动平台3底部设有气泵12,所述气泵12位于驱动机构301下方,所述驱动机构301采用气动马达,所述气泵12通过第一气管13与钻机1连接,所述气泵12通过第二气管14与气动马达连接,气泵12为气动马达和钻机1提供气源。
 
所述钻机滑动平台3远离固定钻套4的一端设有限位板15,所述限位板15和固定钻套4的顶端均设有挡块16,所述钻机1顶部的前后两端设有距离感应器114,所述钻机1侧面设有PLC控制器115,所述PLC控制器115分别与距离感应器114、钻机1和气动马达电性连接。当钻机1沿直线导轨307滑动并靠近固定钻套4时,钻机1顶部前端的距离感应器114感应到固定钻套4顶端的挡块16,发送信号至距PLC控制器115,PLC控制器115控制驱动机构301反转,同时控制钻机1反转,当钻机1移动并靠近限位块15时,钻机1顶部后端的距离感应器114感应到限位块15顶端的挡块16,并发送信号至PLC控制器115,PLC控制器115控制气泵12停止工作,驱动机构301和钻机1停止工作,有效保护钻机1因前进或后退距离把握不当对钻机1造成损伤。
 
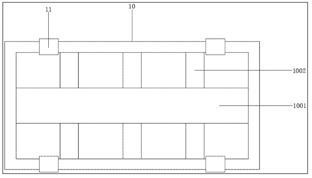
如图6所示,所述支撑底座10由四根连杆依次首尾连接组成,所述支撑底座10设有横梁1001,所述横梁1001的两端与对称的连杆固定连接,所述横梁1001与另外两根连杆之间设有若干加强板1002,所述第一升降装置8和第二升降装置9均安装在横梁1001上,所述滚轮11安装在支撑底座10的四角。
 
进行钻探作业时,首先将该手持式钻机移动至工作地点,并通过观察水平仪113调节第一升降装置8和第二升降装置9,使得钻机1处于水平状态,如需调整角度,先使钻机1处于水平状态,观察角度仪308数值,再通过计算得出角度仪308实际应显示的角度数值,调整第一升降装置8和第二升降装置9使得角度仪308显示角度数值与计算数值一致,避免因地面不平造成的角度误差,然后将钻杆2对准需要钻探的位置,启动气泵12为驱动机构301和钻机1提供气源,待驱动机构301和钻机1启动后,施工人员双手握住把手105,向前推进钻机1,驱动机构301带动减速机302转动,转速机302的输出轴带动传动轴303转动,传动轴303带动主动带轮304转动,从而带动主动带轮304和从动带轮305上的同步带306运动,同步带306带动滑动板5移动,滑动板5沿直线导轨307带动钻机1向前移动,驱动机构301为钻探作业过程中钻机1的前进或后退提供辅助作用。钻机1和滑动板5之间设有可抵消水平和垂直方向带来振动的第一弹簧505和第二弹簧508,有效保护钻探过程中可能对钻杆2造成的损伤。当钻机1移动并靠近固定钻套4时,钻机1顶部前端的距离感应器114感应到固定钻套4顶端的挡块16,发送信号至距PLC控制器115,PLC控制器115控制驱动机构301反转,同时控制钻机1反转,施工人员可顺势将钻机1抽离,当钻机1移动并靠近限位块15时,钻机1顶部后端的距离感应器114感应到限位块15顶端的挡块16,并发送信号至PLC控制器115,PLC控制器115控制气泵12停止工作,驱动机构301和钻机1停止工作,有效保护钻机1因前进或后退距离把握不当对钻机1造成损伤。
 
在钻探过程中,遇到卡钻时,施工人员可通过反转按钮104控制钻杆2反转,避免对钻杆2造成损伤。
 
所述驱动机构301为小功率气动马达,通过人力完全可减缓或阻止气动马达的转动,当人力阻碍气动马达转动时,进入气动马达的气体可通过内置压力阀排出。
 
尽管参照前述实施例对本发明进行了详细的说明,对于本领域的技术人员来说,其依然可以对前述各实施例所记载的技术方案进行修改,或者对其中部分技术特征进行等同替换,凡在本发明的精神和原则之内,所作的任何修改、等同替换、改进等,均应包含在本发明的保护范围之内。
 
Copyright © 宁波鄞州盖奇同步带轮有限公司 2007-2022 All Rights Reserved.
电话:4006-574-123/0574-27834692 传真:0574-27834691
地址:浙江省宁波市鄞州区姜山镇蔡郎桥村姜南路39-2 E-Mail:sales@belt-pulley.com  
浙ICP备09102982号 盖奇公司网络部提供技术支持 浙公网安备33021202003319号