当前位置:首页->一种自动填料装置

 一种自动填料装置

 
【申请公布号: CN110395591A;申请权利人:浙江日发精密机床有限公司;发明设计人: 梁星鑫; 张小雨; 任正法;】
 
摘要:
 
本发明提供一种自动填料装置:包括连接刀柄、料斗、料架、电机、驱动轮、同步带、电机调整块、电机调整螺钉、电机安装板、安装板、传动轴一、轴承、同步带轮一、从动轮、键、挡料板、传动轴二、同步带轮二、轴套、输送带、漏斗、连接板、调整块和螺钉。本发明的有益效果:本发明的料斗装有铁砂,电机启动,通过同步带驱动从动轮,启动输送带,从而将铁砂均匀的撒到蜂窝产品中;本发明在撒播铁砂过程中无需人员参与,从而减少了人工的工作量,提高了工作效率;本发明结构简单,使用方便,制作成本低。 
 
主权项:
 
1.一种自动填料装置,其特征在于,包括料架,所述料架内套接有料斗,所述料斗内套接有连接刀柄,所述连接刀柄外接设备主轴,所述料架的外侧壁上设置有电机安装板和安装板,所述电机安装板与安装板从下往上依次分布,所述电机安装板和安装板的一侧分别与料架的外壁连接,所述电机安装板通过连接板与安装板连接,所述电机安装板和安装板的外侧设有固定连接的漏斗,所述电机安装板上设置有电机,所述电机的固定端通过固定丝与电机安装板连接,所述电机的驱动端设置有驱动轮,所述驱动轮与电机传动连接,所述驱动轮的一侧设置有从动轮,所述从动轮通过转轴与电机安装板连接,所述从动轮通过同步带与驱动轮传动连接,所述电机安装板和安装板内分别套接有两组轴承,所述电机安装板内的两组轴承分别与安装板内的两组轴承对应,一组对应的所述轴承之间设置有传动轴一,所述传动轴一的两端分别贯穿对应的轴承与轴承活动连接,所述传动轴一的一端与从动轮传动连接,所述传动轴一的外部套接有同步带轮一 ,所述同步带轮一 通过键与传动轴一传动连接,另一组对应的所述轴承之间设置有传动轴二,所述传动轴二的两端分别贯穿对应的轴承与轴承活动连接,所述传动轴二的两端还分别穿过电机安装板和安装板,所述传动轴二的两端上分别套接有轴套,所述传动轴二的外部套接有同步带轮二,所述同步带轮二 通过轴承与传动轴二连接,所述同步带轮二 还通过输送带与同步带轮一 传动连接。 
 
要求:

1.一种自动填料装置,其特征在于,包括料架,所述料架内套接有料斗,所述料斗内套接有连接刀柄,所述连接刀柄外接设备主轴,所述料架的外侧壁上设置有电机安装板和安装板,所述电机安装板与安装板从下往上依次分布,所述电机安装板和安装板的一侧分别与料架的外壁连接,所述电机安装板通过连接板与安装板连接,所述电机安装板和安装板的外侧设有固定连接的漏斗,所述电机安装板上设置有电机,所述电机的固定端通过固定丝与电机安装板连接,所述电机的驱动端设置有驱动轮,所述驱动轮与电机传动连接,所述驱动轮的一侧设置有从动轮,所述从动轮通过转轴与电机安装板连接,所述从动轮通过同步带与驱动轮传动连接,所述电机安装板和安装板内分别套接有两组轴承,所述电机安装板内的两组轴承分别与安装板内的两组轴承对应,一组对应的所述轴承之间设置有传动轴一,所述传动轴一的两端分别贯穿对应的轴承与轴承活动连接,所述传动轴一的一端与从动轮传动连接,所述传动轴一的外部套接有同步带轮一 ,所述同步带轮一 通过键与传动轴一传动连接,另一组对应的所述轴承之间设置有传动轴二,所述传动轴二的两端分别贯穿对应的轴承与轴承活动连接,所述传动轴二的两端还分别穿过电机安装板和安装板,所述传动轴二的两端上分别套接有轴套,所述传动轴二的外部套接有同步带轮二,所述同步带轮二 通过轴承与传动轴二连接,所述同步带轮二 还通过输送带与同步带轮一 传动连接。
 
2.根据权利要求1所述的一种自动填料装置,其特征在于,所述电机安装板上还设置有电机调整块,所述电机调整块通过电机调整螺钉与电机安装板连接。
 
3.根据权利要求2所述的一种自动填料装置,其特征在于,所述电机安装板和安装板的一侧分别设有固定连接的调整块,两组所述调整块中心对称,所述调整块通过螺钉与相邻的轴套连接。
 
4.根据权利要求3所述的一种自动填料装置,其特征在于,所述电机安装板和安装板上分别设有挡料板。
 
一种自动填料装置
技术领域
 
本发明涉及填料装置技术领域,具体涉及一种自动填料装置。
 
背景技术
 
蜂窝材料是近年来开发出的一种功能性多孔材料,在汽车尾气处理、工业废气处理、蓄热式燃烧炉中得到了广泛的应用。蜂窝材料在石化行业气液分离塔填料、废水处理生物反应器填料等方面的应用也受到了研究者的关注。蜂窝材料具有优异的耐酸耐热性能,能耐除氢氟酸以外的各种无机酸、有机酸及有机溶剂的腐蚀,适用于各种高、低温及强腐蚀性的场合。但是,现有的蜂窝材料填料一般采用人工填料。这种填料方式填料不均匀,效率低。
 
发明内容
 
为全面解决上述问题,尤其是针对现有技术所存在的不足,本发明提供了一种自动填料装置能够全面解决上述问题。
 
为实现上述目的,本发明采用以下技术手段:一种自动填料装置,包括料架,所述料架内套接有料斗,所述料斗内套接有连接刀柄,所述连接刀柄外接设备主轴,所述料架的外侧壁上设置有电机安装板和安装板,所述电机安装板与安装板从下往上依次分布,所述电机安装板和安装板的一侧分别与料架的外壁连接,所述电机安装板通过连接板与安装板连接,所述电机安装板和安装板的外侧设有固定连接的漏斗,所述电机安装板上设置有电机,所述电机的固定端通过固定丝与电机安装板连接,所述电机的驱动端设置有驱动轮,所述驱动轮与电机传动连接,所述驱动轮的一侧设置有从动轮,所述从动轮通过转轴与电机安装板连接,所述从动轮通过同步带与驱动轮传动连接,所述电机安装板和安装板内分别套接有两组轴承,所述电机安装板内的两组轴承分别与安装板内的两组轴承对应,一组对应的所述轴承之间设置有传动轴一,所述传动轴一的两端分别贯穿对应的轴承与轴承活动连接,所述传动轴一的一端与从动轮传动连接,所述传动轴一的外部套接有同步带轮一 ,所述同步带轮一 通过键与传动轴一传动连接,另一组对应的所述轴承之间设置有传动轴二,所述传动轴二的两端分别贯穿对应的轴承与轴承活动连接,所述传动轴二的两端还分别穿过电机安装板和安装板,所述传动轴二的两端上分别套接有轴套,所述传动轴二的外部套接有同步带轮二,所述同步带轮二 通过轴承与传动轴二连接,所述同步带轮二 还通过输送带与同步带轮一 传动连接。
 
进一步的,所述电机安装板上还设置有电机调整块,所述电机调整块通过电机调整螺钉与电机安装板连接。
 
进一步的,所述电机安装板和安装板的一侧分别设有固定连接的调整块,两组所述调整块中心对称,所述调整块通过螺钉与相邻的轴套连接。
 
进一步的,所述电机安装板和安装板上分别设有挡料板。
 
本发明的有益效果:本发明的料斗装有铁砂,电机启动,通过同步带驱动从动轮,启动输送带,从而将铁砂均匀的撒到蜂窝产品中;本发明在撒播铁砂过程中无需人员参与,从而减少了人工的工作量,提高了工作效率;本发明结构简单,使用方便,制作成本低。
 
附图说明
 
一种自动填料装置
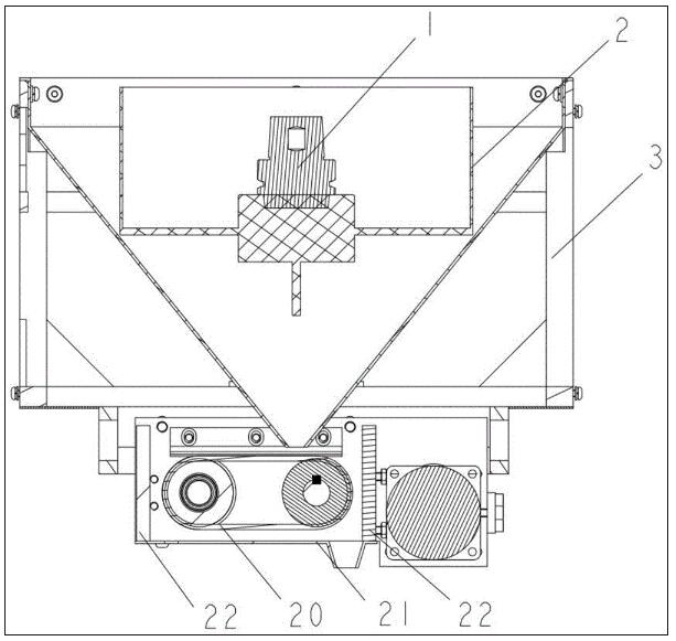
图1是本发明的结构示意图。
 
一种自动填料装置
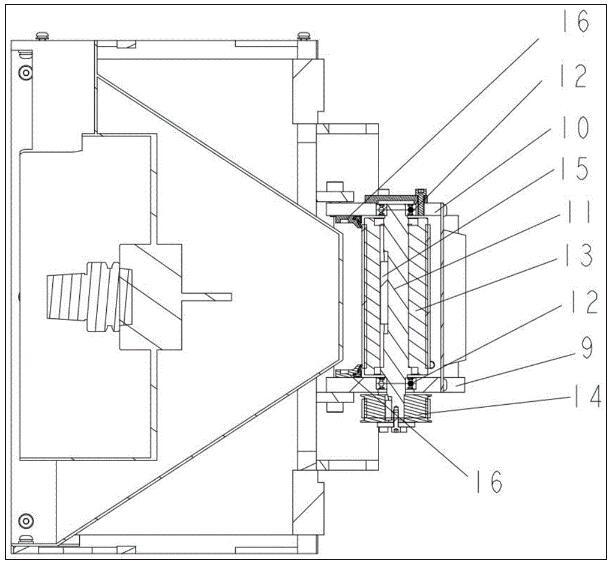
图2是本发明A-A处的剖视图。
 
一种自动填料装置
图3是本发明B-B处的剖视图。
 
一种自动填料装置
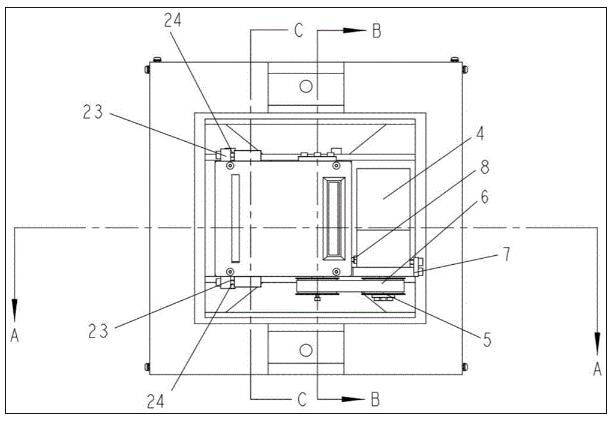
图4是本发明C-C处的剖视图。
 
具体实施方式
 
下面将结合附图对本发明的技术方案进行清楚、完整地描述。
 
如图1至图4所示,本发明提供一种自动填料装置:包括连接刀柄1、料斗2、料架3、电机4、驱动轮5、同步带6、电机调整块7、电机调整螺钉8、电机安装板9、安装板10、传动轴一 11、轴承12、同步带轮一 13、从动轮14、键15、挡料板16、传动轴二 17、同步带轮二 18、轴套19、输送带20、漏斗21、连接板22、调整块23和螺钉24。连接刀柄1装在料斗2上,料斗2装在料架3上。电机4安装在电机安装板9上,安装孔为左右长孔,电机调整块7安装在电机安装板9上,电机调整块7通过电机调整螺钉8与电机安装板9连接,通过电机调整块7和电机调整螺钉8,调整电机4位置,使同步带6涨紧。电机安装板9安装在料架3上,安装板10安装在料架3上,连接板22连接电机安装板9和安装板10。驱动轮5安装在电机4,通过同步带6,驱动从动轮14。同步带轮一 13通过键15与传动轴一11相连,传动轴一 11由轴承12支撑,与从动轮14连接。轴承12分别安装在电机安装板9和安装板10上。通过输送带20连接同步带轮一 13和同步带轮二 18。同步带轮二18通过轴承12与传动轴二 17连接,传动轴二 17穿过电机安装板9和安装板10上的长孔,轴套19安装在传动轴二 17两端。调整块23安装在电机安装板9和安装板10上,通过螺钉24连接轴套19,使用螺钉24调节同步带轮二18位置,使之涨紧。挡料板16安装在电机安装板9和安装板10上,防止铁砂从两侧掉落。漏斗21安装在电机安装板9和安装板10上,铁砂从此口落下。铁砂倒入料斗2,电机4启动,通过同步带6驱动从动轮14,启动输送带20,将铁砂均匀的撒到蜂窝产品中。连接刀柄1安装在外部设备主轴上,随着主轴的运动,完成对蜂窝产品的填料。
 
本发明所作的举例,而并非对实施方式的限定。对于所属领域的普通技术人员来说,在上述说明的基础上还可以做出其它不同形式的变化或变动,这里无需也无法对所有的实施方式予以穷举,而由此所引申出的显而易见的变化或变动仍处于本发明的保护范围中。
 
Copyright © 宁波鄞州盖奇同步带轮有限公司 2007-2022 All Rights Reserved.
电话:4006-574-123/0574-27834692 传真:0574-27834691
地址:浙江省宁波市鄞州区姜山镇蔡郎桥村姜南路39-2 E-Mail:sales@belt-pulley.com  
浙ICP备09102982号 盖奇公司网络部提供技术支持 浙公网安备33021202003319号