当前位置:首页->一种钞箱推钞板

 一种钞箱推钞板

 
【申请(专利)号: CN202210626932.1;申请权利人:恒银金融科技股份有限公司;发明设计人: 杨书仙; 刘贯伟; 赵荣伟; 刘君; 刘秉承;】
 
摘要:
 
本发明公开了一种钞箱推钞板,包含动力装置及止逆解锁结构,位于钞箱内,且动力装置位于推钞板的一侧,推钞板在动力装置作用下,在钞箱内往复运动,动力装置包括同步带和带动同步带运动的电机,电机带动同步带轮转动,同步带轮与同步带相啮合,带动同步带运动;所述止逆解锁结构包括轮盘、传动轮一、传动轮二、解锁钣金和锁紧钣金,所述锁紧钣金的两端分别是锁止端和解锁端,解锁端带动锁紧钣金绕挡板钣金上的锁紧轴转动,使得锁止端抵触或远离轮盘;本发明提供的一种钞箱推钞板,包含动力装置及止逆解锁结构,该钞箱推钞板可以适应钞箱的各种工作场景。 
 
主权项:
 
1.一种钞箱推钞板,其特征在于,包含动力装置及止逆解锁结构,位于钞箱内,且动力装置位于推钞板的一侧,推钞板在动力装置作用下,在钞箱内往复运动,所述动力装置包括同步带和带动同步带运动的电机,电机带动同步带轮转动,同步带轮与同步带相啮合,带动同步带运动;所述止逆解锁结构包括轮盘、传动轮一、传动轮二、解锁钣金和锁紧钣金,所述锁紧钣金的两端分别是锁止端和解锁端,解锁端带动锁紧钣金绕挡板钣金上的锁紧轴转动,使得锁止端抵触或远离轮盘;所述传动轮一和轮盘为相互固定结构,轮盘被锁止端抵触时,只能单向转动,通过传动轮一限制同步带也只能进行单向运动,防止推钞板向远离摩钞机构的方向运动。 
 
要求:
 
1.一种钞箱推钞板,其特征在于,包含动力装置及止逆解锁结构,位于钞箱内,且动力装置位于推钞板的一侧,推钞板在动力装置作用下,在钞箱内往复运动,所述动力装置包括同步带和带动同步带运动的电机,电机带动同步带轮转动,同步带轮与同步带相啮合,带动同步带运动;所述止逆解锁结构包括轮盘、传动轮一、传动轮二、解锁钣金和锁紧钣金,所述锁紧钣金的两端分别是锁止端和解锁端,解锁端带动锁紧钣金绕挡板钣金上的锁紧轴转动,使得锁止端抵触或远离轮盘;
 
所述传动轮一和轮盘为相互固定结构,轮盘被锁止端抵触时,只能单向转动,通过传动轮一限制同步带也只能进行单向运动,防止推钞板向远离摩钞机构的方向运动。
 
2.根据权利要求1所述的钞箱推钞板,其特征在于,所述同步带上还设有涨紧结构,所述涨紧结构包括涨紧轮、涨紧钣金、包角轴和涨紧扭簧,所述涨紧钣金通过包角轴固定在挡板钣金上,涨紧钣金以包角轴为中心旋转,带动涨紧轮压紧同步带,其中涨紧轮和包角轴位于同步带外侧,同步带轮位于同步带内侧,且涨紧轮和包角轴位于同步带轮上方的两侧。
 
3.根据权利要求2所述的钞箱推钞板,其特征在于,所述涨紧扭簧一端与涨紧钣金相抵触,另一端挂在挡板钣金上,且在涨紧扭簧的扭力支撑作用下,涨紧钣金始终具有向上盖方向运动的趋势。
 
4.根据权利要求1所述的钞箱推钞板,其特征在于,轮盘和传动轮一同轴固定在挡板钣金上,传动轮一与同步带相啮合,传动轮一外侧固定有三角形钣金,三角形钣金通过两个支撑轴与挡板钣金相固定,且三角形钣金上设有辊轮,同步带位于传动轮一和辊轮之间。
 
5.根据权利要求1所述的钞箱推钞板,其特征在于,机芯内设有定位销,定位销顶起锁紧钣金绕锁紧轴转动,使得锁止端脱离轮盘,轮盘可以进行正反向自由转动。
 
6.根据权利要求1所述的钞箱推钞板,其特征在于,所述止逆解锁结构还包括两个拉簧,分别是拉簧一和拉簧二,两个拉簧的下端均固定在解锁钣金下端,拉簧一的上端固定在锁紧轴上,使得锁紧钣金始终具有向上盖方向运动的趋势,拉簧二的上端固定在锁紧钣金上,使得锁紧钣金始终具有向轮盘运动的趋势。
 
7.根据权利要求1所述的钞箱推钞板,其特征在于,传动轮二通过转动轴固定在挡板钣金上,所述解锁钣金上设有两个长圆形通孔,锁紧轴和转动轴均分别在两个长圆形通孔内滑动。
 
8.根据权利要求7所述的钞箱推钞板,其特征在于,所述锁紧轴位于转动轴下方,且两个长圆形通孔的中心线位于同一条直线上。
 
9.根据权利要求1所述的钞箱推钞板,其特征在于,同步带与推钞板的作用点、同步带与传动轮二的作用点连线与钞箱底板相平行。
 
10.根据权利要求1所述的钞箱推钞板,其特征在于,所述锁紧钣金位于解锁钣金和挡板钣金之间,且同步带位于解锁钣金和锁紧钣金之间。
 
一种钞箱推钞板
技术领域
 
本发明属于金融自助设备领域,尤其涉及一种钞箱推钞板。
 
背景技术
 
循环钞箱在存取款机芯中起到储存收纳钞票的作用。而其中推钞板起到推动钞票进行摩钞以及让出进钞空间的作用。其在空循环钞箱加钞的时候,需要推钞板推至最后,防止把钞票误加至推钞板后,引起摩钞错误。从而,需要在该位置增加一个推钞板锁结构,当把推钞板推到最后位置时,可以将推钞板固定,进行加钞或者其他操作。
 
循环钞箱要实现存取款,需要有接钞和压紧钞票的结构,在我们的钞箱中这个功能是由推钞板来实现的,那么根据不同的工作场景,推钞板有以下几种工作状态:
 
1、当钞箱单独拎出后,在钞箱开盖状态,推钞板在推到最后部时需要锁住,方便加钞人员操作,推钞板锁住后可以手动解锁,解锁后推钞板能自由地前后移动,保证钞票处于被压紧状态;
 
2、当钞箱单独拎出后,在钞箱关盖状态,推钞板可向前移动压紧钞票,但不可向后移动,防止钞票堆叠混乱,影响存取款。
 
3、当钞箱插入存取款机后,要实现存取款的功能,需要推钞板可自由地前后移动。
 
发明内容
 
本发明的目的是针对现有技术中存在的技术缺陷,而提供一种钞箱推钞板,包含动力装置及止逆解锁结构,可以适应钞箱的各种工作场景。
 
为实现本发明的目的所采用的技术方案是:
 
一种钞箱推钞板,包含动力装置及止逆解锁结构,位于钞箱内,且动力装置位于推钞板的一侧,推钞板在动力装置作用下,在钞箱内往复运动,其特征在于,所述动力装置包括同步带和带动同步带运动的电机,电机带动同步带轮转动,同步带轮与同步带相啮合,带动同步带运动;所述止逆解锁结构包括轮盘、传动轮一、传动轮二、解锁钣金和锁紧钣金,所述锁紧钣金的两端分别是锁止端和解锁端,解锁端带动锁紧钣金绕挡板钣金上的锁紧轴转动,使得锁止端抵触或远离轮盘;所述传动轮一和轮盘为相互固定结构,轮盘被锁止端抵触时,只能单向转动,通过传动轮一限制同步带也只能进行单向运动,防止推钞板向远离摩钞机构的方向运动。
 
作为优选的,所述同步带上还设有涨紧结构,所述涨紧结构包括涨紧轮、涨紧钣金、包角轴和涨紧扭簧,所述涨紧钣金通过包角轴固定在挡板钣金上,涨紧钣金以包角轴为中心旋转,带动涨紧轮压紧同步带,其中涨紧轮和包角轴位于同步带外侧,同步带轮位于同步带内侧,且涨紧轮和包角轴位于同步带轮上方的两侧。将涨紧结构设置在传动带轮附近,由于传动带轮是动力输入轮,这样的设置保证了同步带在动力源头处不会发生打滑等现象,保证了同步带工作高效性。
 
作为优选的,所述涨紧扭簧一端与涨紧钣金相抵触,另一端挂在挡板钣金上,且在涨紧扭簧的扭力支撑作用下,涨紧钣金始终具有向上盖方向运动的趋势。设置一个涨紧扭簧,采用机械结构实现对同步带的涨紧,既简单又稳定。
 
作为优选的,轮盘和传动轮一同轴固定在挡板钣金上,传动轮一与同步带相啮合,传动轮一外侧固定有三角形钣金,三角形钣金通过两个支撑轴与挡板钣金相固定,且三角形钣金上设有辊轮,同步带位于传动轮一和辊轮之间。在传动轮一处加设三角形钣金,即起到防止同步带在传动轮一处脱落,又为涨紧扭簧提供了固定位置。
 
作为优选的,机芯内设有定位销,定位销顶起锁紧钣金绕锁紧轴转动,使得锁止端脱离轮盘,轮盘可以进行正反向自由转动。
 
作为优选的,所述止逆解锁结构还包括两个拉簧,分别是拉簧一和拉簧二,两个拉簧的下端均固定在解锁钣金下端,拉簧一的上端固定在锁紧轴上,使得锁紧钣金始终具有向上盖方向运动的趋势,拉簧二的上端固定在锁紧钣金上,使得锁紧钣金始终具有向轮盘运动的趋势。利用两个拉簧的回弹力,使得锁紧钣金和解锁钣金能够自动复位。
 
作为优选的,传动轮二通过转动轴固定在挡板钣金上,所述解锁钣金上设有两个长圆形通孔,锁紧轴和转动轴均分别在两个长圆形通孔内滑动。
 
作为优选的,所述锁紧轴位于转动轴下方,且两个长圆形通孔的中心线位于同一条直线上。
 
作为优选的,同步带与推钞板的作用点、同步带与传动轮二的作用点连线与钞箱底板相平行。
 
作为优选的,锁紧钣金位于解锁钣金和挡板钣金之间,且同步带位于解锁钣金和锁紧钣金之间。
 
本发明的有益效果在于:
 
1.设置同步带作为推钞板的传动机构,并在同步带的不同位置设置了涨紧装置和止逆解锁装置,通过这两个装置的设置,保证了同步带在传动过程中的稳定性,还能实现在不同工作场景的应用。
 
2.涨紧装置和止逆解锁装置都采用纯机械机构实现,结构简单,能够实现自动化。
 
附图说明
 
一种钞箱推钞板
图1是钞箱内部结构示意图。
 
一种钞箱推钞板
图2是钞箱开盖后,本发明结构示意图。
 
一种钞箱推钞板
图3是钞箱关盖后,本发明结构示意图。
 
一种钞箱推钞板
图4是钞箱位于机芯内,本发明结构示意图。
 
一种钞箱推钞板
图5是止逆解锁结构侧视示意图。
 
一种钞箱推钞板
图6是止逆解锁结构立体示意图。
 
其中:
 
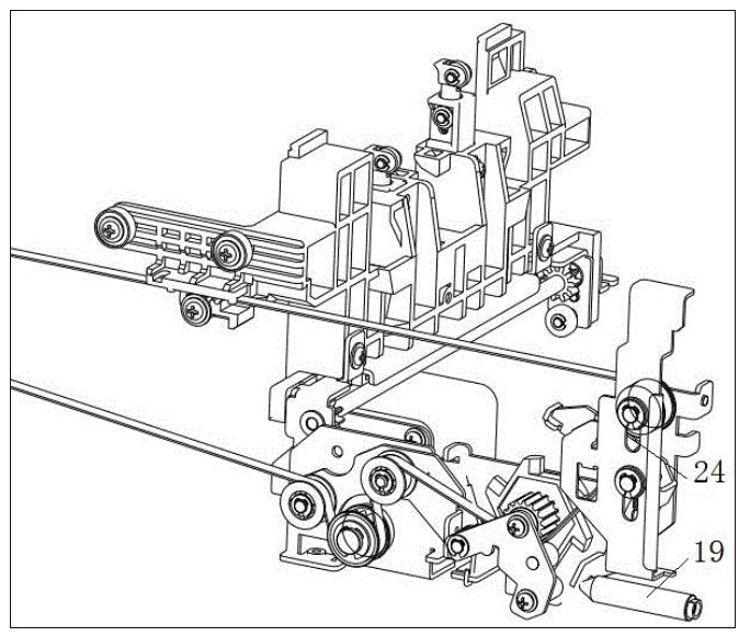
1.钞箱底板;2.上盖;3.推钞板;4.摩钞机构;5.同步带;6.电机;7.同步带轮;8.皮带固定座;9.轮盘;10.传动轮一;11.传动轮二;12.解锁钣金;13.锁紧钣金;14.锁止端;15.解锁端;16.挡板钣金;17.按压端;18.伸出端;19.定位销;20.拉簧一;21.拉簧二;22.锁紧轴;23.转动轴;24.长圆形通孔;25.开口挡圈;26.涨紧轮;27.涨紧钣金;28.包角轴;29.涨紧扭簧;30.三角形钣金;31.支撑轴;32.辊轮;33.支撑钣金;34.上方弯折部;35.下方弯折部;36.锁钩一;37锁钩二。
 
具体实施方式
 
以下结合附图和具体实施例对本发明作进一步详细说明。应当理解,此处所描述的具体实施例仅仅用以解释本发明,并不用于限定本发明。
 
一种钞箱推钞板,包含动力装置及止逆解锁结构,位于钞箱内,且动力装置位于推钞板的一侧,推钞板在动力装置作用下,在钞箱内往复运动,所述动力装置包括同步带5和带动同步带运动的电机6,电机带动同步带轮转动,同步带轮7与同步带相啮合,带动同步带运动;电机位于钞箱底板内,同步带通过皮带固定座8与推钞板相连接,同步带内侧设有啮合齿,保证了同步带在传动过程中的稳定性,降低了发生脱落的概率。电机可以正转和反转,带动同步带正转或反转,从而带动推钞板向前运动夹紧纸币或向后运动,此处需要说明的是向前运动特指推钞板向摩钞机构方向运动,向后运动特指推钞板向远离摩钞机构方向运动。
 
需要说明的是推钞板左右两侧均有传动结构,本技术方案仅保护同步带动力一侧,另一侧可以是拉簧,也可以是其它结构,实现推钞板两侧平衡即可。
 
根据不同的工作场景,钞箱内的推钞板有以下三种状态:
 
1、当钞箱单独拎出后,在钞箱开盖状态,推钞板在推到最后部时需要锁住,方便加钞人员操作,推钞板锁住后可以手动解锁,解锁后推钞板能自由地前后移动,保证钞票处于被压紧状态;
 
2、当钞箱单独拎出后,在钞箱关盖状态,推钞板可向前移动压紧钞票,但不可向后移动,防止钞票堆叠混乱,影响存取款。
 
3、当钞箱插入存取款机后,要实现存取款的功能,需要推钞板可自由地上前后移动。
 
针对以上三种状态,我们设计了止逆解锁结构,满足了三种应用场景。
 
所述止逆解锁结构包括轮盘9、传动轮一10、传动轮二11、解锁钣金12和锁紧钣金13,所述锁紧钣金的两端分别是锁止端14和解锁端15,解锁端带动锁紧钣金绕挡板钣金16上的锁紧轴转动,使得锁止端抵触或远离轮盘;锁紧钣金上设有与按压端相匹配的伸出端18。解锁钣金上下两端均设有弯折部,上方弯折部34可方便上盖向下压解锁钣金,下方弯折部35可方便固定拉簧一和拉簧二。
 
所述传动轮一和轮盘为相互固定结构,轮盘被锁止端抵触时,只能单向转动,通过传动轮一限制同步带也只能进行单向运动,防止推钞板向远离摩钞机构的方向运动。
 
具体来说:
 
1、当钞箱单独拎出来后,在钞箱开盖状态下,需要加钞时,则需要推钞板能够前后运动,此时由于钞箱上盖打开,解锁钣金失去上盖给予的向下压力,在拉簧一的作用下,向上拉动解锁钣金,带动锁紧钣金的锁止端脱离轮盘,传动轮一的正反向转动不受到限制,推钞板可以自由前后运动,进行加钞动作,钞箱开盖状态时,推钞板可以前后运动;当需要锁住推钞板时,将推钞板向后推到最后,利用皮带固定座下的锁钩一36和解锁钣金上的锁钩二37相配合,实现对推钞板的固定,且向下压解锁钣金,可以实现推钞板的解锁,如图2所示。
 
2、当钞箱单独拎出来后,在钞箱关盖状态下,锁紧钣金的解锁端失去定位销的作用力,锁紧钣金绕锁紧轴转动,使得锁止端抵触在轮盘上,传动轮一的转动受到限制,只能进行逆向转动,因此带动推钞板只能向摩钞机构方向运动,而无法向后运动,实现了对推钞板的单向锁定,推钞板只能夹紧纸币,而不能后退,防止纸币堆叠混乱。
 
3、当钞箱插入存取款机芯中,解锁端在定位销的作用下,带动锁紧钣金绕锁紧轴转动,使得锁止端远离轮盘,传动轮一的正反转动不受限制,推钞板可以实现前后运动。
 
下面将对止逆解锁结构的细节实现进行深入描述。
 
机芯内设有定位销19,当钞箱插入机芯中后,定位销正好顶起锁紧钣金绕锁紧轴转动,使得锁止端脱离轮盘,轮盘可以进行正反向自由转动。
 
所述止逆解锁结构还包括两个拉簧,分别是拉簧一20和拉簧二21,两个拉簧的下端均固定在解锁钣金下端,拉簧一的上端固定在锁紧轴22上,使得锁紧钣金始终具有向上盖方向运动的趋势,拉簧二的上端固定在锁紧钣金上,使得锁紧钣金始终具有向轮盘运动的趋势。拉簧一的作用在于,钞箱打开上盖,上盖不再对解锁钣金施加向下的压力,在拉簧一的作用下,解锁钣金自动向上弹起,带动锁紧钣金转动,失去对轮盘的约束力。拉簧二的作用在于,解锁钣金复位后,锁紧钣金失去按压端向上的作用力,在拉簧二的作用下,锁紧钣金绕锁紧轴转动到抵触轮盘的位置,重新实现对轮盘的抵触作用。两个拉簧的设置,实现了解锁钣金和锁紧钣金的自动复位功能,减少了人为操作的必要性,这样的设置趋向于自动化,降低人为出错的概率。需要说明的是图中两个拉簧均处于松弛状态,另一端并未挂在相应位置上。
 
传动轮二通过转动轴23固定在挡板钣金上,所述解锁钣金上设有两个长圆形通孔24,锁紧轴和转动轴均分别在两个长圆形通孔内滑动。需要说明的是转动轴和锁紧轴都是固定在挡板钣金上的,只是伸入到两个长圆形通孔内,当解锁钣金上下运动时,转动轴和锁紧轴在长圆形通孔内进行滑动,且为了保证滑动的稳定性,设置了开口挡圈25,保证转动轴和锁紧轴在长圆形通孔内能稳定上下滑动。长圆形通过一定程度上还起到了限位作用,防止解锁钣金被过度向上拉起,而对整个止逆解锁结构造成破坏。
 
所述锁紧轴位于转动轴下方,由于解锁钣金只进行上下运动,因此两个长圆形通孔的中心线位于同一条直线上。其中锁紧钣金在锁紧轴处还设有支撑钣金33,作用在于保持解锁钣金和锁紧钣金之间的相对距离,保证两者是相互平行的,防止因为震动等原因造成倾斜,而使得止逆解锁结构产生运动不良。
 
同步带与推钞板的作用点、同步带与传动轮二的作用点连线与钞箱底板相平行。这样的设计保证同步带上圈与钞箱底板相平行,也就是与推钞板运动方向相平行,保证了运动的顺畅性。
 
锁紧钣金位于解锁钣金和挡板钣金之间,且同步带位于解锁钣金和锁紧钣金之间,解锁钣金和锁紧钣金一定程度上对同步带起到了限位作用,为了防止钞箱在受到外界冲击时,同步带从传动轮二中脱出,而造成运动不良,提高了钞箱的抗冲击能力。
 
同时,在该装置中还加入了同步带的弹性涨紧结构,所述涨紧结构包括涨紧轮26、涨紧钣金27、包角轴28和涨紧扭簧29,此结构可以保证钞箱同步带在任何时候都处于涨紧状态,且可以在钞箱受到外界冲击时对结构件起到缓冲作用,减少对结构件的损坏。
 
具体来说,所述涨紧钣金通过包角轴固定在挡板钣金上,涨紧钣金以包角轴为中心旋转,带动涨紧轮压紧同步带,其中涨紧轮和包角轴位于同步带外侧,同步带轮位于同步带内侧,且涨紧轮和包角轴位于同步带轮上方的两侧,涨紧轮、包角轴和同步带轮形成V字分布,同步带对同步带轮形成包围角度,包围角度在270°左右,超大的接触面积,保证了同步带轮与同步带之间的高效传动力。
 
所述涨紧扭簧一端与涨紧钣金相抵触,另一端挂在挡板钣金上,且在涨紧扭簧的扭力支撑作用下,涨紧钣金始终具有向上盖方向运动的趋势,带动涨紧轮时刻压紧同步带。
 
轮盘和传动轮一同轴固定在挡板钣金上,传动轮一与同步带相啮合,传动轮一外侧固定有三角形钣金30,三角形钣金通过两个支撑轴31与挡板钣金相固定,且三角形钣金上设有辊轮32,同步带位于传动轮一和辊轮之间。涨紧扭簧串套在其中一个支撑轴上,设置的辊轮位于传动轮一的下侧,其能够保证同步带与传动轮一的紧密接触,防止同步带出现松弛、脱齿,而造成打滑。
 
以上所述仅是本发明的优选实施方式,应当指出的是,对于本技术领域的普通技术人员来说,在不脱离本发明原理的前提下,还可以做出若干改进和润饰,这些改进和润饰也应视为本发明的保护范围。
 
Copyright © 宁波鄞州盖奇同步带轮有限公司 2007-2022 All Rights Reserved.
电话:4006-574-123/0574-27834692 传真:0574-27834691
地址:浙江省宁波市鄞州区姜山镇蔡郎桥村姜南路39-2 E-Mail:sales@belt-pulley.com  
浙ICP备09102982号 盖奇公司网络部提供技术支持 浙公网安备33021202003319号