当前位置:首页->电梯渐进式安全钳的测试装置

 电梯渐进式安全钳的测试装置

 
【申请公布号:CN108928701A;申请权利人:深圳市特种设备安全检验研究院;发明设计人: 张峰; 张怀继; 丘彬; 李灌辉; 张欣;】
 
摘要:
 
本发明涉及一种电梯渐进式安全钳的测试装置,其特征在于,包括导轨、加载件、同步带、同步轮、以及信息采集装置。导轨沿竖直方向设置,加载件可沿导轨上下移动。待测渐进式安全钳安装在加载件底部,试验时,加载件自由落体下落加速到设定的速度时,待测渐进式安全钳动作,夹紧导轨制停加载件。同步带绕设到同步轮上,同步带与加载件连接,以在加载件移动时让同步带带动同步轮同步转动。信息采集装置包括安装在同步轮上的采集件以及设置在加载件上的加速度传感器,以获得同步轮的转动信息和加载件的加减速信息。根据同步轮的转动角位移、转动速度和加载件的加减速等信息,间接获得加载件的位移和速度,换算过程简单,准确度高。 
 
主权项:
 
1.一种电梯渐进式安全钳的测试装置,其特征在于,包括导轨(1)、加载件(2)、同步带(3)、同步轮(4)、以及信息采集装置(5);所述导轨(1)沿竖直方向设置,所述加载件(2)可沿所述导轨(1)向下自由落体下落;待测渐进式安全钳(6)安装在所述加载件(2)底部,在所述加载件(2)自由落体下落加速到设定的速度时,所述待测渐进式安全钳(6)动作,夹紧所述导轨(1),制停所述加载件(2);所述同步带(3)绕设到所述同步轮(4)上,所述同步带(3)与所述加载件(2)连接,以在所述加载件(2)移动时让所述同步带(3)带动所述同步轮(4)同步转动;所述信息采集装置(5)包括安装在所述同步轮(4)上的采集件(51)以及设置在所述加载件(2)上的加速度传感器(52),以获得所述同步轮(4)的转动信息和所述加载件(2)的加减速信息。 
 
要求:
 
1.一种电梯渐进式安全钳的测试装置,其特征在于,包括导轨(1)、加载件(2)、同步带(3)、同步轮(4)、以及信息采集装置(5);
 
所述导轨(1)沿竖直方向设置,所述加载件(2)可沿所述导轨(1)向下自由落体下落;
 
待测渐进式安全钳(6)安装在所述加载件(2)底部,在所述加载件(2)自由落体下落加速到设定的速度时,所述待测渐进式安全钳(6)动作,夹紧所述导轨(1),制停所述加载件(2);
 
所述同步带(3)绕设到所述同步轮(4)上,所述同步带(3)与所述加载件(2)连接,以在所述加载件(2)移动时让所述同步带(3)带动所述同步轮(4)同步转动;
 
所述信息采集装置(5)包括安装在所述同步轮(4)上的采集件(51)以及设置在所述加载件(2)上的加速度传感器(52),以获得所述同步轮(4)的转动信息和所述加载件(2)的加减速信息。
 
2.根据权利要求1所述的电梯渐进式安全钳的测试装置,其特征在于,所述导轨(1)包括并排设置的两根,所述加载件(2)可在竖直方向上下移动地与两根所述导轨(1)配合。
 
3.根据权利要求1所述的电梯渐进式安全钳的测试装置,其特征在于,所述加载件(2)包括吊笼(21)和放置到所述吊笼(21)内的砝码(22)。
 
4.根据权利要求1所述的电梯渐进式安全钳的测试装置,其特征在于,所述待测渐进式安全钳(6)安装在所述加载件(2)的底部。
 
5.根据权利要求1所述的电梯渐进式安全钳的测试装置,其特征在于,所述转动信息包括转动速度、角位移。
 
6.根据权利要求1所述的电梯渐进式安全钳的测试装置,其特征在于,所述采集件(51)为编码器,所述信息采集装置(5)还包括与所述加速度传感器(52)、编码器通信连接的数据采集卡。
 
7.根据权利要求1至6任一项所述的电梯渐进式安全钳的测试装置,其特征在于,所述同步轮(4)包括两个,分别设置在所述导轨(1)的上下两端。
 
8.根据权利要求7所述的电梯渐进式安全钳的测试装置,其特征在于,所述同步带(3)的两端与所述加载件(2)连接,并绕设到所述导轨(1)上下两端的两个所述同步轮(4)上,让所述同步带(3)随所述加载件(2)的升降同步转动。
 
9.根据权利要求1至6任一项所述的电梯渐进式安全钳的测试装置,其特征在于,所述同步轮(4)外沿周圈设有卡槽(41),所述同步带(3)上沿长度方向分布有与所述卡槽(41)卡合的卡条(31)。
 
10.根据权利要求9所述的电梯渐进式安全钳的测试装置,其特征在于,所述同步轮(4)的轴向两端设有对所述同步带(3)进行轴向限位的挡边(42),两所述挡边(42)之间的间距与所述同步带(3)的宽度相当。
 
电梯渐进式安全钳的测试装置
技术领域
 
本发明涉及电梯领域,更具体地说,涉及一种电梯渐进式安全钳的测试装置。
 
背景技术
 
渐进式安全钳是电梯下行超速时的一种安全保护装置,依据型式试验规则需要进行自由落体试验,通过采集加速度等信息判断渐进式安全钳是否符合相关标准规范的要求。
 
该试验在试验塔上使用吊笼装载砝码模拟轿厢沿导轨自由落体,渐进式安全钳安装在吊笼底部,吊笼加速到设定的速度时安全钳动作制停吊笼。
 
渐进式安全钳自由落体试验前,将加速度传感器固定在吊笼底部,试验过程中传感器将制动过程中的加速度信号转变为电压信号,再经过放大器传输到数据采集记录卡,记录并存储相关信息。
 
通过对加速度值的积分运算,就可以得到速度信息。在试验井道的上下部安装同步轮,将同步带经上下同步轮绕回固定在吊笼的上下部,这样同步轮会随吊笼的上下移动而进行转动。
 
之前的安全钳自由落体试验数据信息采集仅使用了加速度传器,位移信息是要经加速度积分得到速度的后再对速度积分得到的,这样经过两次积分误差不断累积变得比较大。
 
发明内容
 
本发明要解决的技术问题在于,提供一种电梯渐进式安全钳的测试装置。
 
本发明解决其技术问题所采用的技术方案是:构造一种电梯渐进式安全钳的测试装置,其特征在于,包括导轨、加载件、同步带、同步轮、以及信息采集装置;
 
所述导轨沿竖直方向设置,所述加载件可沿所述导轨向下自由落体下落;
 
待测渐进式安全钳安装在所述加载件底部,在所述加载件自由落体下落加速到设定的速度时,所述待测渐进式安全钳动作,夹紧所述导轨制停所述加载件;
 
所述同步带绕设到所述同步轮上,所述同步带与所述加载件连接,以在所述加载件移动时让所述同步带带动所述同步轮同步转动;
 
所述信息采集装置包括安装在所述同步轮上的采集件以及设置在所述加载件上的加速度传感器,以获得所述同步轮的转动信息和所述加载件的加减速信息。
 
优选地,所述导轨包括并排设置的两根,所述加载件可在竖直方向上下移动地与两根所述导轨配合。
 
优选地,所述加载件包括吊笼和放置到所述吊笼内的砝码。
 
优选地,所述待测渐进式安全钳安装在所述加载件的底部。
 
优选地,所述转动信息包括转动速度、角位移。
 
优选地,所述采集件为编码器,所述信息采集装置还包括与所述加速度传感器、编码器通信连接的数据采集卡。
 
优选地,所述同步轮包括两个,分别设置在所述导轨的上下两端。
 
优选地,所述同步带的两端与所述加载件连接,并绕设到所述导轨上下两端的两个所述同步轮上,让所述同步带随所述加载件的升降同步转动。
 
优选地,所述同步轮外沿周圈设有卡槽,所述同步带上沿长度方向分布有与所述卡槽卡合的卡条。
 
优选地,所述同步轮的轴向两端设有对所述同步带进行轴向限位的挡边,两所述挡边之间的间距与所述同步带的宽度相当。
 
实施本发明的电梯渐进式安全钳的测试装置,具有以下有益效果:根据同步轮的转动角位移、转动速度和加载件的加减速等信息,可以间接获得加载件的下落位移和下落速度,再根据加载件的下落位移和下落速度等让控制部件控制待测渐进式安全钳夹紧导轨,换算过程简单,准确度高,提升了安全性。
 
附图说明
 
下面将结合附图及实施例对本发明作进一步说明,附图中:
 
电梯渐进式安全钳的测试装置
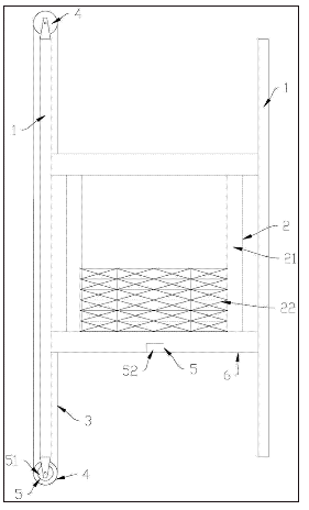
图1是本发明实施例中的电梯渐进式安全钳的测试装置的结构示意图;
 
电梯渐进式安全钳的测试装置
图2是图1中的同步带绕设到同步轮时的结构示意图。
 
具体实施方式
 
为了对本发明的技术特征、目的和效果有更加清楚的理解,现对照附图详细说明本发明的具体实施方式。
 
如图1所示,本发明一个优选实施例中的电梯渐进式安全钳的测试装置包括导轨1、加载件2、同步带3、同步轮4、以及信息采集装置5。
 
导轨1沿竖直方向设置,加载件2可沿导轨1上下移动地设置,让加载件2能依靠重力沿导轨1向下自由落体下落。优选地,导轨1包括并排设置的两根,加载件2可在竖直方向上下移动地与两根导轨1配合,加载件2沿导轨1可以自由坠落。
 
加载件2包括吊笼21和放置到吊笼21内的砝码22,可以根据试验要求放置适当重量的砝码22,在其他实施例中,加载件2也可为多个加载片层叠放置,根据重量需求选择适当数量的加载片层叠。
 
试验时,待测渐进式安全钳6安装在加载件2底部,以在加载件2下落加速到设定的速度时,待测渐进式安全钳6动作夹紧导轨1,依靠待测渐进式安全钳6与导轨1之间的摩擦力制停加载件2。触发待测渐进式安全钳6夹紧导轨1时的加载件2的下落设定速度为依据国家标准设置的试验速度,以检验安全钳的性能。
 
通常,待测渐进式安全钳6安装在加载件2的底部,让待测渐进式安全钳6从加载件2的底部对加载件2制动,与现场使用一致。
 
同步带3绕设到同步轮4上,同步带3与加载件2连接,以在加载件2移动时让同步带3带动同步轮4同步转动。
 
信息采集装置5包括安装在同步轮4上的采集件51以及设置在加载件2上的加速度传感器52,以获得同步轮4的转动信息和加载件2的加减速信息。
 
同步轮4的转动信息通常包括角位移、角速度等信息,根据同步轮4的转动角位移、角速度和加载件的加减速等信息,可以间接获得加载件2移动时的位移和速度。
 
在一些实施例中,采集件51为编码器,信息采集装置5还包括与加速度传感器52、编码器通信连接的数据采集卡。
 
同步轮4的转动信息经编码器采集并传输至数据采集卡进行记录,经过几何尺寸的换算,就可以采集试验过程中加载件2的位移信息和速度信息。
 
加速度传感器52固定在加载件2底部,试验过程中加速度传感器52将制动过程中的加速度信号转变为电压信号,再经过放大器传输到数据采集记录卡,记录并存储相关信息。通过对加速度值的积分运算,就可以得到速度信息。
 
为了方便安装和测试,提升测试效率和精度,同步轮4包括两个,分别设置在导轨1的上下两端。
 
进一步地,同步带3的两端与加载件2连接,并绕设到导轨1上下两端的两个同步轮4上,让同步带3随加载件2的升降同步转动。在其他实施例中,同步带3绕设到同步轮4上的绕设方式可以不做限定,同步轮4的数量也可为多个,能方便通过其中一个同步轮4获得加载件2的速度和位移即可。
 
为了保证同步轮4和同步带3同步转动,不会在传动过程中存在位置偏移,同步轮4外沿周圈设有卡槽41,同步带3上沿长度方向分布有与卡槽41卡合的卡条31。传动过程中,卡条31卡入到卡槽41内,可以保证完全同步,保证根据同步轮4测量同步带3和加载件2的速度和位移时的准确性。
 
进一步地,同步轮4的轴向两端设有对同步带3进行轴向限位的挡边42,两挡边42之间的间距与同步带3的宽度相当。挡边42对同步带3在同步轮4上的轴向位置限位,可降低传动误差,保证同步轮4和同步带3同步转动。
 
可以理解地,上述各技术特征可以任意组合使用而不受限制。
 
以上所述仅为本发明的实施例,并非因此限制本发明的专利范围,凡是利用本发明说明书及附图内容所作的等效结构或等效流程变换,或直接或间接运用在其他相关的技术领域,均同理包括在本发明的专利保护范围内。
Copyright © 宁波鄞州盖奇同步带轮有限公司 2007-2022 All Rights Reserved.
电话:4006-574-123/0574-27834692 传真:0574-27834691
地址:浙江省宁波市鄞州区姜山镇蔡郎桥村姜南路39-2 E-Mail:sales@belt-pulley.com  
浙ICP备09102982号 盖奇公司网络部提供技术支持 浙公网安备33021202003319号